Themabewertung:
  • 0 Bewertung(en) - 0 im Durchschnitt
  • 1
  • 2
  • 3
  • 4
  • 5
ICEpower125ASX2 Verstärker
Hi...
weiß nicht, ob meine Antwort hilfreich ist...
Wenn Du unter 8 K liegst am Ausgang Deines Pre ist alles gut. Hab mir das Teil bei Ebay angeschaut, aber nichts gefunden außer 50 K Input. Wenn der durchgereicht wird, bräuchtest Du einen Puffer. Das vermute ich, so wie es ausgedrückt ist.
Sowas https://www.ebay.de/itm/Hifi-NE5534-Dc-B...3265659199
Vorsicht...die Preise varieren sehr stark.
Wichtig, so wie da steht...hoher Eingangswiderstand, kleiner Ausgangswiderstand.
Leider finde ich keinen Schaltplan von dem Ding...aber das würde funktionieren.
+- 15 Volt, also müße noch ne Regelung her...
https://www.ebay.de/itm/143629594426 DEn Gleichrichter auslöten oder/und brücken. Kühlkörper müßten nicht.

Ich weiß nicht, wie es um Deine Lötkenntnisse bestellt ist.

Pedda
Hier wird nix gewußt...
Zitieren

Ok. Erst mal Danke.
Habe gehofft auf was einfacheres, und evtl nutzung der aux spannung.
Ansonsten werd ich die Teile bestellen.
Zitieren

Hi...daher meine Frage zu Deinen Lötkenntnissen....Confused

Du kannst die Aux-Spg nutzen. Nur vermutlich nicht die +-24 Volt. Wenn Du Dich ein bisschen auskennst, lötest Du Dir zwei Spannungsregler auf den Puffer. Die 78L15/79L15 reichen. Den 3er Klemmenbock für die Spannungs auslöten und die Spannungregler einlöten. Vermutlich brauchst Du keinen Widerstand davor, kannst sicherheitshalber aber machen. (siehe Servicemanual) Eigentlich kein Hexenwerk.Smile

Dann kannst Du Dir die Reglerplatine sparen.
Wenn Du aber die Reglerplatine kaufst und an Aux hängst, brauchst Du den Gleichrichter eigentlich nicht. Hab ich schon geschrieben...

Pedda
Hier wird nix gewußt...
Zitieren

Hallo,
lötkenntisse hab ich. dann bestelle ich mal die Teile und mach das so mit den 78L15/79L15.
Vielen Dank nochmal.
gruss
Denis
Zitieren

1swift schrieb:Vorstufe ist diese hier:
https://www.ebay.de/itm/Finished-HIFI-Re...SwLnBX31VP

Moin Swift,
sorry,du betreibst einen CD-Player mit Röhrenausgang und hängst daran eine passive LautstärkeregelungCool, gar nicht gut. Nochens sorry, du brauchst nicht einen Buffer, du brauchst eigentlich zwei, einen vor deiner Lautstärkeregelung und eine dahinter. Passive Vorstufen gibt es nicht, passive Eingangswahlregler mit Lautstärkeregler als Vorstufe zu bezeichen ist schlichtweg gelogen.
Ganz wichtig ist, dass Ausgangsimpedanz des einen Gerätes niedriger ist als die Eingangsimpedanz des folgenden sonst gibt es eine massive Klangverschlechterung durch Fehlanpassung.
Die Ausgangsimpedanz deines CD-Players ist vielleicht 5 kOhm, dein Lautstärkersteller hat in leiser Einstellung vielleicht eine Impedanz von 25kOhm. Die Eingangsimpedanz des 125 beträgt 8 kOhm.
Die Ausgangsimpedanz sollte etwa um den Faktor 10 kleiner sein. Du hast so ein klassische Fehlanpassung. Ein Buffer, aktiver Impedanzwandler, sollte zumindest direkt am Reglerausgang sitzen und nicht am Verstärkereingang. Notfalls geht das natürlich auch.

Jrooß Kalle
Zitieren

Da durchgereicht wird werden es wohl 50 K sein...nach dem Steller. Ich würde es erstmal mit einem Puffer vor dem ICE versuchen und denke, es wird funktionieren. Bei den Abletec, wenn auch symmetrisch, hat es mit den Frontends gut funktioniert. Daher heißen die so...Smile Mit den DRV 134 funktioniert es ja auch. Auch direkt vor dem Ice.

[ATTACH=CONFIG]55568[/ATTACH]

Noch mal aus dem Manual. Icepower gibt es so an. Über den Opamp kann man sich streiten, bringt aber nix. Die LME49720 sind gnadenlos gut. Einen weiteren Puffer kann man immer noch setzen.


Angehängte Dateien Thumbnail(s)
   
Hier wird nix gewußt...
Zitieren

Moin,

hier auch noch eine gute Fotodokumentation zu einem Buffer:

https://theslowdiyer.wordpress.com/2013/...x-modules/

Und gut umgesetzt wie ich finde:

https://theslowdiyer.files.wordpress.com...?w=1000&h=

LG
Zitieren

jap...den Link kenn ich. Nur leider keine Bestückungsliste...oder ich bin zu blöd. Das Layout ist ladbar..nur nützt das nix...

Korrigiere habs gefunden. Es gibt ein Exelsheet weiter unten....
Hier wird nix gewußt...
Zitieren

Doch hier:

here
Zitieren

Habbich....Smile
Hier wird nix gewußt...
Zitieren

Kleinhorn schrieb:Da durchgereicht wird werden es wohl 50 K sein...nach dem Steller. Ich würde es erstmal mit einem Puffer vor dem ICE versuchen und denke, es wird funktionieren. Bei den Abletec, wenn auch symmetrisch, hat es mit den Frontends gut funktioniert. Daher heißen die so...Smile Mit den DRV 134 funktioniert es ja auch. Auch direkt vor dem Ice.

[ATTACH=CONFIG]55568[/ATTACH]

Noch mal aus dem Manual. Icepower gibt es so an. Über den Opamp kann man sich streiten, bringt aber nix. Die LME49720 sind gnadenlos gut. Einen weiteren Puffer kann man immer noch setzen.


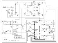
Wenn ich mir was wünschen könnte dann Folgendes:

kleines Steckbares Platinchen, hochkant; steckbar auf ASX Module (auf Signalstecker und Aux Versorgungsstecker):

-Schaltung oben Signal; schaltbar Buffer / mit schaltbaren Verstärkungen und Abschwächungen und Schalter BTL Betrieb
-Regelung der Versorgungsspannung (siehe Schaltung oben)
-Aux Stecker Ausgang

Die Platine mit o.g. Eigenschaften dann direkt steckbar auf das Icepower Modul:

[ATTACH=CONFIG]55728[/ATTACH]


Angehängte Dateien Thumbnail(s)
   
Zitieren

Gute Idee...wäre eine feine Sache.:thumbup:
Hier wird nix gewußt...
Zitieren

Ja , BTL mit 2 Modulen währe für mich auch was.
Vielleicht könnte man das in auftrag geben als Sammelbestellung . Entwicklung und Hersellung.
Habe bei meinem china ebay händler gesehen , gibt es ein DAC , dessen Entwicklung auch aus dem User Forum stammt.
Zitieren

Barossi schrieb:Wenn ich mir was wünschen könnte dann Folgendes:

kleines Steckbares Platinchen, hochkant; steckbar auf ASX Module (auf Signalstecker und Aux Versorgungsstecker):

-Schaltung oben Signal; schaltbar Buffer / mit schaltbaren Verstärkungen und Abschwächungen und Schalter BTL Betrieb
-Regelung der Versorgungsspannung (siehe Schaltung oben)
-Aux Stecker Ausgang

Hallo,

als steckbares Modul fürs ASX nicht, aber die erfüllen fast alle Anforderungen :
https://www.eltim.eu/de/eltim-audio-modu...g-10000463

- mit / ohne Buchse
- verschiedene IN / OUT Versionen ( balanced / unbalanced ) verfügbar
- Input IMP änderbar durch Tausch eines Widerstands
- Gain änderbar durch Tausch eines Widerstands
- Eingangs Kondensator einfach änderbar ( diverse Lötpunkte in Layout vorgesehen )
- Output DC Offset einstellbar
- Power Connection bis +/- 75 V, max. 15 mA

Grüße
Dirk
Zitieren

Hallo Dirk,
im Prinzip schon ... aber die Teile sind alle nicht gleichstromgekoppelt.
Ich bin immer sehr skeptisch und versuche so wenig wie möglich in die Signalkette zu hängen ... eigentlich mit Erfolg.
Hier hat mit im Eingang wenigstens schon eine Folie, das ist ja schon wasSmile.
Jrooß Kalle
Zitieren

Gleichstrom Kopplung ist auch möglich, da sind auch Lötpads vorgesehen um den Eingangs C zu überbrücken.
Bei meinen gelieferten Modulen ist gleich gar kein Eingangs C enthalten ...

VG Dirk
Zitieren

Welche nutzt du, wenn ich fragen darf?
Zitieren

Aktuell verbaue ich diese : Lin/Lout-134 input Module zusammen mit 125ASX nicht gebrücket

BinBout-128 habe ich in der Vergangenheit schon mal verbaut.

VG Dirk
Zitieren

Sepp schrieb:Hallo,

als steckbares Modul fürs ASX nicht, aber die erfüllen fast alle Anforderungen :
https://www.eltim.eu/de/eltim-audio-modu...g-10000463

- mit / ohne Buchse
- verschiedene IN / OUT Versionen ( balanced / unbalanced ) verfügbar
- Input IMP änderbar durch Tausch eines Widerstands
- Gain änderbar durch Tausch eines Widerstands
- Eingangs Kondensator einfach änderbar ( diverse Lötpunkte in Layout vorgesehen )
- Output DC Offset einstellbar
- Power Connection bis +/- 75 V, max. 15 mA

Grüße
Dirk

Moin Dirk, sehr fein! Kann jedoch nichts zu Anpassung (Gain) finden. Welches Eltim Modul macht das?
Auch erkennt man nicht, was man kauft? Leerplatine? Ferig bestückt? Welche Versorgungs-Spannung passt?
LG
Zitieren

Habs, war zu doof zu schauen:

https://www.eltim.eu/data/mediablocks/EL...t-134x.pdf
Zitieren



Möglicherweise verwandte Themen…
Thema Verfasser Antworten Ansichten Letzter Beitrag
  Verstärker/DSP für Dummis? Nolie 7 1.833 18.10.2025, 09:07
Letzter Beitrag: Chlang
  Wie repariert man ein Hifi-Verstärker -Methodik ArLo62 7 1.703 31.01.2025, 11:07
Letzter Beitrag: ArLo62
  Kaufberatung 4 Kanal Class D Verstärker mit DSP und Bluetooth audiobob 26 12.448 14.06.2023, 20:21
Letzter Beitrag: newmir
  Suche kleinen Verstärker mit Bluetooth und Monoschalter wolf-sascha 5 1.986 26.01.2023, 17:41
Letzter Beitrag: wolf-sascha
  Halogentrafo an exotischem Verstärker mit 12V AC Eingang ? AR 19 5.071 21.01.2023, 10:31
Letzter Beitrag: newmir
  Kaufberatung: Guter Verstärker aus den 90ger Jahren Darakon 37 23.985 16.12.2022, 11:02
Letzter Beitrag: kwesi
  Verstärker, Umbauten und Klang kwesi 40 12.746 02.12.2022, 15:22
Letzter Beitrag: Jesse
  Subwoofer Verstärker mit einem SolidStateRelais ausschalten...Problem misux 9 2.890 31.08.2022, 05:02
Letzter Beitrag: misux
  Deo für nikotinverseuchten Verstärker? capslock 11 3.239 03.04.2022, 19:55
Letzter Beitrag: Bastel-Bug
  Handicher DAB-Empfänger (ggf. mit Verstärker) gesucht Koaxfan 34 10.067 08.03.2022, 21:20
Letzter Beitrag: Koaxfan

Gehe zu:


Benutzer, die gerade dieses Thema anschauen:
1 Gast/Gäste

Deutsche Übersetzung: MyBB.de, Powered by MyBB, © 2002-2026 Melroy van den Berg.