Themabewertung:
  • 0 Bewertung(en) - 0 im Durchschnitt
  • 1
  • 2
  • 3
  • 4
  • 5
Vorstellung LJM L20.5 Amp
#61
Ah...und vergessen. Zur Verteilung der Spannung WAGO Klemmen. Die kann man an geeigneter Stelle mit Doppelklebeband aufkleben. Und dann 4x die Leitungen verteilen. Wenn Du ein 800er nehmen würdes würde ich den Abgang auf die Wagos in 2,5 mm legen...
https://www.amazon.de/COMPACT-Verbindung...B00LOG8IEO

Große Lüsterklemmen gehen auch, ist aber gepopel...

Eine Idee...
Hier wird nix gewußt...
Zitieren

#62
Ein 800er SMPS würde Dich schon in die Lage versetzen 4x250 Watt kurzzeitig abzurufen....
Hast Du Deine Rotel je an die Grenze gebracht ? Hat die nicht 130 Watt ?
Hier wird nix gewußt...
Zitieren

#63
Kleinhorn schrieb:Ein Vorteil, wenn man einen Trafo setzt ist, dass der, wenn auch über Netz geschaltet, im Moment des Einschaltens die Verzögerung der SS wirksam ist, beim Ausschalten aber die Spannung schneller zusammen bricht, als die Spannung Versorgungsspannung des SMPS. Das geht noch schneller als mit der Hifsspannung.

Das hört sich aber nach einen großen Vorteil an. Für die Regelung braucht man ja auch einen Trafo, da muss eh "Etwas" gebastelt werden damit alles sicher verbaut werden kann.


Update:

Die SMPS800RE sowie zwei LJM LS Schutzmodule hab ich bestellt.

Ne ich denke nicht das ich die Rotel irgendwann mal ausgefahren hab! Auch nicht an den Mjölnir...

Du hast da Recht - die 800RE ist wohl die vernünftigere Wahl :o

Testbericht Rotel: [URL="https://www.gute-anlage.de/media/pdf/fb/52/22/Rotel_RC1572_RB1552MKII_Audio_11_17.pdf"]https://www.gute-anlage.de/media/pdf/fb/52/22/Rotel_RC1572_RB1552MKII_Audio_11_17.pdf


[/URL]
Grüße
Simon
Zitieren

#64
Hi...
Die LJM Module für den Schutz arbeiten zuverlässig. Wenn du 2 Module bestellt hast, sind die 4 Ausgänge dann abgesichert.
Da das Doppelrelais sind, ist der Stromverbrauch auch nicht hoch. Die Relaiskontakte sind auch groß.
Bleibt die Dimensionierung eines Trafos. Da noch eine Regelung dahinter kommt, sollten 300 mA reichen. 2x 100 mA für die Module von Funk und die Regelung, 100 mA für die Module von LJM...gebräuchlich 5VA/15 Volt x2 oder 333 mA x2.
LJM Module an der Wechselspannung...

Pedda
Hier wird nix gewußt...
Zitieren

#65
Ich hab hier Angaben gefunden die mich verwirren:

https://www.netzgeraet.de/bausaetze-und-...gK4KfD_BwE

Bei 2x15 VAC Eingang kann die Schaltung (anscheinend) nur +-10 V DC liefern - die Funkt Karte möchte aber minimum +-12 V DC.

Hiernach bräuchte ich doch einen 2x18 VAC Trafo?
https://www.reichelt.de/printtrafo-10-va...ol_2&nbc=1

Daher hab ich vorhin an zwei Trafos gedacht. Wobei ich zuerst dachte das der JL Schutz 12 VAC braucht (da sind wir wieder bei den tollen Artikelbeschreibungen) Rolleyes
Grüße
Simon
Zitieren

#66
Der LM317 hat eine Dropoutspg von 1,25 Volt. Die Spannung am Eingang muß also 1,25 Volt höher sein als der gewünschte Ausgang. LM337 hab ich nicht im Kopf, wird aber auch so sein....

Bei Trafo 15 Volt x 1,414 = 21 irgendwas....daher hat die Regelung eingestellt die +- 15 Volt...(also mit Gleichrichtung)
Da die Wechselspannung unter Last am Trafo 15 Volt x 2 ist, kann da jeweils eine Schutzschaltung an jeden Zweig.
Natürlich funktionieren auch höhere Spannungen. Die LM sollten mal unter 35 Volt bleiben...auf den Boards der Schutzschaltung kommt auch erst ein Gleichrichter und dann ein 7815...
Ergo sollte man nicht über 24 Volt Wechselspannung gehen...

So ?
Hier wird nix gewußt...
Zitieren

#67
Hi...
Die Schutzschaltung von LJM gibt es wohl mit unterschiedlichen Angaben....12 oder 15 Volt AC zur Versorgung. Der Regler ist immer ein 7815. Vorher war mal ein 7812 eingebaut. Die Anzahl der Transistoren ist gleich, auch der 12 volt Relaistyp. Vielleicht sind Widerstände geändert. Das Board ist etwas kleiner als bei der alten Version. Man kann eine zusätzliche LED anschließen.

Bei der Versorgung über einen Trafo nicht relevant. Deine ausgesuchten Trafos bei Reichelt würden jedenfalls passen.

Verwirrend sind manche Angaben schon, das stimmt. Warum die Vellemann Regelung einen solchen Spannungsfall über den Regler haben soll erschließt sich mir nicht. Es handelt sich um die normale Schaltung für ein LM317/337 .
Allerdings ist mir aufgefallen, dass die Siebkondensatoren nicht hoch ausgelegt sind. 470 µF find ich etwas niedrig...
Die Beschreibung ist irgenwie dämlich...danach könnte man 0,5 Volt Schritte nicht einstellen....das ist Quatsch...

Besser wäre sowas und billiger https://www.amazon.de/Cosye-Positive-Ein...271&sr=8-2

Allerdings selbst löten. Oder Sowas https://www.ebay.de/itm/LM317-LM337-Adju...0010.m2109

Die unterschiedlichen Stromangaben rühren daher, dass Vellemann keine Kühler beilegt.

Bei mir, am Icepower, war das mit der Siebung nicht relevant, da ich nur 330 µF eingelötet habe. Das Ice gibt ja schon DC aus, wenn auch nicht geregelt.

Pedda
Hier wird nix gewußt...
Zitieren

#68
Hallo Pedda,

vielen Dank wieder einmal für die tolle Unterstützung! Sorry für die späte Antwort - die Familie hat mich Heute voll unter Beschlag genommen.

Du zeigst recht deutlich auf das ich einfach keine Ahnung habe bzw. klaffende Wissenslücken Rolleyes

Ich hab mal nach solchen Schaltungen gesucht und das hier gefunden:

Noch mit einem LF353?

https://www.ebay.de/itm/AC-DC-LM317-LM33...SwMqtfhQ0M

Oder das hier mit zusätzlich TL431?

https://www.ebay.de/itm/LM317-LM337-TL43...SwhilZX530

Eventuell wären die auch sehr gut? Gibts bereits aufgebaut. Das sind für mich aber böhmische Dörfer...

Bei den Diy Kits sieht man immer die tolle fertig Platine und neben dran dann ein Einzelteilebild mit ganz anderen Kondensatoren... kommt wohl das in die Tüte was gerade übrig ist Big Grin
Grüße
Simon
Zitieren

#69
[QUOTE = SimonSambuca; 292864] Hello Pedda,

Thank you again for the great support! Sorry for the late reply - the family took full possession of me today.

You show quite clearly that I simply have no idea or that there are gaping gaps in knowledge. Rolleyes

I once looked for such circuits and found this:

Still with an LF353?

https://www.ebay.de/itm/AC-DC-LM317-LM33...SwMqtfhQ0M

Or this with additional TL431?

https://www.ebay.de/itm/LM317-LM337-TL43...SwhilZX530

Maybe they would also be very good? Already built. But for me these are bohemian villages ...

With the Diy Kits you can always see the great finished circuit board and next to it a picture of individual parts with completely different capacitors ... what is left in the bag is probably what is left Big Grin[/ QUOTE]

Sorry for the English,

Does the LJM L20.5 need a regulated power supply, or can you not use a "normal" unregulated power supply with just a rectifier and large smoothing capacitors?

Thank you,

David.
Zitieren

#70
Hi Simon...
Du gräbst Sachen aus...Smile

Die Servo Geschichte hat nur ein Poti für die Einstellung. Stellst Du Spannung x am LM 317 ein, hast Du die auch am Negativregler.

Das mit dem TL431 kenn ich nicht. BZW kenn ich als Regler um mit einem Transistor in Längsregelung zu arbeiten...
Einstellbare Spannung und höherer Strom als ohne Regler und Transistor [ATTACH=CONFIG]57688[/ATTACH]

Weder Servo noch das andere Ding müssen...

Meiner Meinung nach ist es wichtiger eine vernüftige Siebung zu haben,

[ATTACH=CONFIG]57689[/ATTACH]

So wie bei der...große Eingangskondensatoren, Folien am Gleichrichter, Folien parallel zum Ausgang, vernüftige Trimmer. Die LED sind schnickschnack...Schutzdioden vorhanden. Das reicht...

Pedda


Angehängte Dateien Thumbnail(s)
       
Hier wird nix gewußt...
Zitieren

#71
Hi Dave,
the boards with the regulated supplys for Simon are not directly for the L20.5 Amp. They are used for the peripherie only. In Simons case for 2 balanced to unbalanced boards.

In mine oppinion it is not nessesary to use boards with an servo opamp. LM317/337 are enough with the standard application.

For the Amp L20.5 you need a SMPS or large Capacitors/Transformer ( we wrote about ? )

Is your Amp running ?

Pedda
Hier wird nix gewußt...
Zitieren

#72
Here is the power supply board I plan on using,

[ATTACH=CONFIG]57693[/ATTACH]



With four 10,000 uF Cornell Dubilier capacitors, pn # 380LX103M063A042 and a Vishay bridge rectifier, pn # PB3508-E3 / 45.

My plan is to do a dual mono with two Antek 300VA 36v toroidal transformers and two of the above boards.


Angehängte Dateien Thumbnail(s)
   
Zitieren

#73
[QUOTE = Kleinhorn; 292872] Hi Dave,
the boards with the regulated supplies for Simon are not directly for the L20.5 Amp. They are used for the periphery only. In Simons case for 2 balanced to unbalanced boards.

In mine oppinion it is not nessesary to use boards with an servo opamp. LM317 / 337 are enough with the standard application.

For the Amp L20.5 you need a SMPS or large Capacitors / Transformer (we wrote about?)

Is your Amp running?

Pedda [/ QUOTE]

Waiting for the case to show up from China... <slow>
Zitieren

#74
Hi Dave,
the PCB looks fine to me...
Do you decide to use a softstart for your transformators ? I think you need one to protect the circuitbreaker.

Two Monoblocks are pretty....please take pictures if your amp is ready build and share them with us...Wink

Pedda
Hier wird nix gewußt...
Zitieren

#75
Hi,

meine Bestellung beim Franzosen ist noch offen, jetzt hab ich gesehen das es dort nochmal eine Variante gibt:

https://www.audiophonics.fr/fr/alimentat...10218.html

Die Version mit dem Tl431 haben die auch im Sortiment.

Ansonsten bestell ich das China Kit. Wobei man dort nicht weiß welche Kondensatoren geliefert werden... Kühlkörper könnten kleiner sein und die Kondis (von den Abmessungen) auch.
Grüße
Simon
Zitieren

#76
Hi..
Mhmm..grad noch mal angesehen...6800µf im Eingang beim TL431...das ist mal übertrieben. Das Andere aus dem Link schneidet nicht so doll ab...
Nimm das Ebay Teil vom Bild. Du brauchst ja eine Glättung für 2x 100 mA. 6800µf sind da übertrieben.
Eigentlich macht das Ebay Ding auf mich nen guten Eindruck. Warum sollten da Teile fehlen? Kondensatoren können mal abweichen...könnten...
Hier wird nix gewußt...
Zitieren

#77
Vielen vielen Dank :prost: Bestellung ist raus.
Grüße
Simon
Zitieren

#78
Das SMPS800RE habe ich auch und betreibe 4 China SymAsym (selbst aufgebaut und Transen gematcht) damit.
Achtung: Diese SMPS vertragen keine hohen kapazitiven Lasten (Die Sicherung löst evtl. trotz Strombegrenzung aus) und die Koppel Cs für die Endstufen sollten für hohe Frequenzen ausgelegt sein. Gem. der Bauteilwerte des Schwingkreises ist die Frequenz jenseits der 100kHz und das verträgt nicht jeder lowESR Kondensator.
Ich habe nur noch Paar 1500uF auf meinen Stromverteiler gesetzt der auch alle Massen zusammen führt.
Ansonsten verfügt jede Symasym über 4x470uF, die auf der Platine sitzen und das funktioniert hervorragend.

Auch die JLM Schutzmodule habe ich eingebaut, allerdings haben diese einen Haken: Die schalten etwas früher durch wie das SMPS800 einschaltet, da fehlt noch ca. 1s. Auch ist mir eins inzwischen kaputt gegangen und wurde getauscht. Ein Paar hatte nicht mehr richtig geschlossen.

[ATTACH=CONFIG]57740[/ATTACH][ATTACH=CONFIG]57741[/ATTACH]


Angehängte Dateien Thumbnail(s)
       
Zitieren

#79
Hi...
Bei mir läuft der L20.5 an einem 500R ohne irgendwelche Probleme. Der L20.5 hat nur 2x2 100 uf an Board. Ich denke nicht, dass es da Stress gibt.
Was hast Du da noch für eine Siebung ? Liegt die hinter dem 800 RE ?

Zur Schutzschaltung...die startet ja mit einem Flip-Flop. Man kann versuchen den Kondensator größer zu wählen.
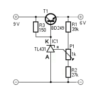
[ATTACH=CONFIG]57743[/ATTACH]Ich hab nur das hier gefunden. Das ist die alte Version. Der Aufbau sollte aber fast identisch sein.
Wo sich das Flip-Flop versteckt, kann ich nur ahnen. Hab es grad mal ausprobiert. Man kann die Zeit verlängern indem man den 10µF Kondensator, links unter dem Gleichrichter vergrößert. Weitere 10 µF und die Verzögerung ist doppelt so lang.
Man kann 2,2 und 4,7 µF ausprobieren um die Zeit zu verlängern....
Bei der neueren Version mit der grünen Platine vermute ich mal gleich. Da sitzt ein 22 µf und ein 47µf (der ist neu)
ich würde mal 10µf parallel zu 22 µ löten und schauen, was passiert. Kaputt geht da nix...
Ich hab im Moment keinen passendes Trafo mit Wechselspannung

Pedda


Angehängte Dateien Thumbnail(s)
   
Hier wird nix gewußt...
Zitieren

#80
Hi,

also falls die Langzeit Tauglichkeit der ljm Schaltungen fraglich ist, bin ich immer noch für bessere Alternativen offen.

Ich hab z.b. das hier gefunden :
http://vi.raptor.ebaydesc.com/ws/eBayISA...spheader=1
Grüße
Simon
Zitieren



Möglicherweise verwandte Themen…
Thema Verfasser Antworten Ansichten Letzter Beitrag
  Vorstellung von drei Endstufen aus dem DIY Audio Forum Kleinhorn 77 219.720 04.03.2025, 08:51
Letzter Beitrag: Kleinhorn

Gehe zu:


Benutzer, die gerade dieses Thema anschauen:
1 Gast/Gäste

Deutsche Übersetzung: MyBB.de, Powered by MyBB, © 2002-2026 Melroy van den Berg.