22.03.2022, 11:43
Hallo zusammen,
da ich nun auch Besitzer eines freeDSP Aurora bin, habe ich mir die Hardware etwas genauer angeschaut und bin auf ein paar Ungereimtheiten gestoßen. Punkt 1 ist im Grunde ein Komfort-Feature und verzichtbar. Punkt 2 und 3 meiner Meinung nach schlicht ärgerliche Designfehler, die bei einem Kaufprodukt nicht passieren dürfen.
Ich bitte um Prüfung/Bestätigung der angeführten Punkte und Vorschlag ggf. möglicher Korrekturmaßnahmen.
da ich nun auch Besitzer eines freeDSP Aurora bin, habe ich mir die Hardware etwas genauer angeschaut und bin auf ein paar Ungereimtheiten gestoßen. Punkt 1 ist im Grunde ein Komfort-Feature und verzichtbar. Punkt 2 und 3 meiner Meinung nach schlicht ärgerliche Designfehler, die bei einem Kaufprodukt nicht passieren dürfen.
- Spannungsversorgung analoger Ausgang nicht abtrennbar:
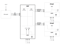
Die Spannungsversorgung der Ausgangsbeschaltung/Buffer des DAC hängt wohl auch fest auf +5VA. Die Verstärkung im Ausgang ist damit nicht änderbar (z.B. auf PA-übliche Pegel). Warum keine extra Klemme (die im default Zustand auf +5VA gebrückt ist) für die Versorgung des analogen Ausgangs vorgesehen wurde, ist mir schleierhaft. Für eine Erhöhung des Ausgangspegels müsste man nochmal eine Stufe z.B. per AddOn dahinterschalten.
- Abtrennung der Analogmasse:
Für die analogen Schaltungsteile (ADC, DAC und zughörige Eingangs-/Ausgangsstufen) wurde zwar eine eigene Spannungsversorgung verwendet (+5VA), aber keine eigene Masse, die dann an einem Punkt sauber zusammengeführt wird?! Die Massen der Analogteile von ADC und DAC hängen wie mir scheint direkt an der allgemeinen Masse (GND). Im Datenblatt z.B. des AK4458 steht wie die digitale und analoge Masse geführt werden müssen (im Endeffekt wie bei jedem anderen ADC/DAC eben auch).
- Auf den AddOns (geprüft bei AddOn D) liegt Pin 1 der XLR-Buchsen (Schirm) auf der Schaltungsmasse (GND) der kompletten Platine
Zu diesem Thema dürfte eigentlich das AES48 Paper bekannt sein:
https://www.aes.org/standards/comments/d...21-cfc.pdf
Alternativ die Ausführungen von Rane:
https://www.ranecommercial.com/kb_articl...ticle=2107
Ich bitte um Prüfung/Bestätigung der angeführten Punkte und Vorschlag ggf. möglicher Korrekturmaßnahmen.
Beste Grüße,
Markus
Markus

