Themabewertung:
  • 0 Bewertung(en) - 0 im Durchschnitt
  • 1
  • 2
  • 3
  • 4
  • 5
Kurzdoku > ARTA Kalibrierung
#21
Hi Mr. SNT,

Zitat:Da ich verhältnismäßig geringe Fehler erwarte (Gemäß MIC Frequenzgangsschrieb), hab ich da nichts reingeschrieben.

Wer traut den Zieraufdrucken auf Verpackungen? Guckst Du hier die Streuung von 200 Mikros:
http://www.hifi-selbstbau.de/index.php?o...cle&id=138

Gruß Pico
HiFi-Selbstbau, das Online-Magazin
Musik erLeben
www.hifi-selbstbau.de
Gewerblicher Teilnehmer
Zitieren

#22
Hallo Pico,

der Frequenzgangschrieb der dem MM1 von Beyerdynamic beigelegen hatte sah aus wie ein echter Frequenzgangschrieb von genau diesem MIC - ich hoffe es zumindest. Ich werd wohl mal beim Hersteller rückfragen. Vielleicht denk ich mal darn genau kalibrieren zu lassen. Gute Idee.

Grüße
Zitieren

#23
CHX schrieb:Hallo Zusammen,

Da wohl die meistern Zweikanalmessungen durchführen werden, sind die Werte die unter:

ARTA -> Setup -> Audio Devices

LineIn Sensitivity und LineOut Sensitivity
L/R Channel diff (dB)
Power amplifier Gain

stehen nicht von Bedeutung.

Meiner Ansicht nach kann man sich dann die Ermittlung der maximalen Ausgangs- und Eingangsspannung sparen.

Wie seht Ihr das?

Grüße

Christoph

Interessante Frage. Hätt ich auch gern gewusst.
Zitieren

#24
Das kann man machen, ist aber nicht unbedingt empfehlenswert!

Man sollte die eigene Messkette kennen, um Messaufgaben qualifiziert bearbeiten zu können. Z.B. sollte man wissen, wann die Soundkarte unter-/übersteuert ist?

Beschäftigt euch mit dem Thema Kalibrierung (Kap. 5, Kompendium), es ist umsonst, aber wahrhaftig nicht sinnlos. Big Grin

Gruß
Heinrich
Zitieren

#25
Hi Mr. SNT,

Zitat:der Frequenzgangschrieb der dem MM1 von Beyerdynamic beigelegen hatte sah aus wie ein echter Frequenzgangschrieb von genau diesem MIC - ich hoffe es zumindest
Das MM1 ist wirklich ein gutes Mikro, die paar die ich kalibriert hatte waren jedenfalls sehr ordentlich. Die hatten deutlich geringere Streuungen als z.B. ECM8000 etc.

Gruß Pico
HiFi-Selbstbau, das Online-Magazin
Musik erLeben
www.hifi-selbstbau.de
Gewerblicher Teilnehmer
Zitieren

#26
...das MM1 kostet ja auch deutlich mehr. aber tatsächlich ist es eines der besseren billigmikros, das kann man so sagen...
die bauform ist in gewisser weise sinnvoll (kein unnötig großes gehäuse um die kapsel, stichwort omnidirektionalität), in gewisser weise aber auch nicht (kein IEC-kompatibler durchmesser, passt nicht in kalibratoren).

[url=http://www.paforum.de/phpBB/viewtopic.php?f=27&t=79908&p=671321#p671321][/url]
Zitieren

#27
Gast schrieb:Hallo,

wenn dieses Kompendium nur nicht so ellenlang wäre...:mad:

GreetzBig GrinCoolWink

Alex


Ganz ehrlich, es ist so was von unverkehrt, sich das Kompendium auszudrucken und als Nachschlagewerk neben den Nachttisch zu legen.
Es beantwortet zwar nicht alle Fragen, aber doch die Meisten, wenn man es sich mal Abends in Ruhe zu Gemüte führt,dann weiss man, wo die wichtigsten Sachen stehen und schlägt einfach nach, wenn man was machen will.
Mittlerweile gehe ich dazu über, dass wenn mich bei ICQ einer wegen Arta fragt, zuerst abkläre, ob er das Kompendium gelesen hat, wenn nicht, dann versuche ich die Hilfe zu verweigern.
Ich denke, es spricht nichts dagegen, dass man,bevor man mit Arta spielt, halbwegs weiß, was man da überhaupt macht....
Zitieren

#28
Im Post #21habe ich geschrieben, dass bei einer Zweikanalmessung der Wert unter
L/R channel diff. (dB) nicht von Bedeutung ist.

Dieses Verhalten kann ich beobachten, wenn unter ARTA -> Mode -> Impulse Response
ausgewählt ist (Messung der Impulsantwort).
Der Betrag der gemessenen Impulsantwort ist unabhängig von dem
Wert bei L/R channel diff. (dB)

Dies ist aber meiner Ansicht nach nicht korrekt.
So wird nämlich der beim Kalibrieren ermittelte Wert nicht berücksichtigt.

Wählt man aber unter ARTA -> Mode -> Dual channel - Frequency response
aus, dann wirkt sich ein unterschiedlicher Wert bei L/R channel diff. (dB) auch
im Betrag des Amplitudenfrequenzganges aus.

Bei der ersten Messung (rot) habe ich 0 dB unter L/R channel diff. (dB) eingetragen.
Bei der zweiten Messung (schwarz) habe ich 3 dB eingetragen.
[Bild: attachment.php?attachmentid=404&stc=1&d=1239193193]

Könnt Ihr das bestätigen?

Ist das ein Fehler bei der Impulsmessung?


Grüße

Christoph


Angehängte Dateien Thumbnail(s)
   
Zitieren

#29
Hallo Mr.SNT,

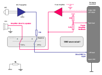
Was meiner Ansicht auch noch in die Kurzanleitung gehört ist die Berechnung von:
Ext. Left preamp gain und Ext. Right preamp gain.

Das ist im ARTA Handbuch (Ver 2.1) im Kapitel 3.2 beschrieben (R1= 8k2, R2 =910):


[Bild: attachment.php?attachmentid=405&stc=1&d=1239200580]


Die Berechnung von Ext. Left preamp gain stimmt nicht mit Deinem Schaltbild überein:


[Bild: attachment.php?attachmentid=406&stc=1&d=1239200585]

Was ist falsch (siehe Widerstandswerte)?


Grüße

Christoph


Angehängte Dateien Thumbnail(s)
       
Zitieren

#30
Hallo Zusammen,
Hallo Mr.SNT,

Mehr Klarheit bringen meiner Ansicht nach die PDFs von der folgenden Seite:

http://www.fesb.hr/~mateljan/arta/support.htm -> AP1

Hier wir erwähnt, dass es wünschenswert ist wenn der rechte und der linke Eingangskanal
der Soundkarte die gleiche Quellimpedanz >>sehen<<.


Die Quellimpedanz auf dem rechten Kanal berechnet sich zu:

R1 || R2 = 8k2 Ohm || 910 Ohm = 819 Ohm

Auf dem linken Kanal sieht die Sache anders aus.
Hier kommt ein Mikrophonverstärker mit einer Ausgangsimpedanz von
100 Ohm zum Einsatz.

Die Frage lautet also:

Wie groß muss der Wert des Widerstands R5 sein,
damit wie im rechten Kanal die Quellimpedanz 819 Ohm beträgt?

819 Ohm = R5 + 100 Ohm
(R5 und der Ausgangswiderstand des Mikrophonverstärkers liegen in Serie)

R5 = 819 Ohm – 100 Ohm = 719 Ohm

Seriell zum Mikrofonverstärker muss ein Widerstand von 719 Ohm eingebaut werden,
damit der linke Eingangskanal auch einen Quellwiderstand von 819 Ohm >>sieht<<.

Entschuldigung für die Verwirrung.:doh:

Viele Grüße

Christoph
Zitieren

#31
@MR.SNT

Copyright hin oder her...wäre es möglich, mir Deinen Text zukommen zu lassen ? Vielleicht per Mail ?

Ich habe gerade begonnen mich mit Arta zu befassen, das Originalkompendium und auch die neueste deutsche Version habe ich gelesen und versucht zu verstehen, aber manche Dinge erschließen sich mir noch nicht. Fest steht, ich kann schon mal was messen. :ok: Aber manche Details versteh ich noch nicht.Confused
Aber ging wahrscheinlich Allen so...daher fände ich einen verständlichen Text echt hilfreich...

Pedda
Zitieren

#32
Pedda,
mir geht es da genauso.
Ich denke, dass diejenigen, die sich die Mühe gemacht haben, Erklärungen, oder Kompendien zu schreiben, sicher die Absicht hatten, es möglichst einfach zu halten. Dennoch scheint es, als könnten sie sich einfach nicht mehr in die Lage versetzen, wie es ist, wenn man überhaupt noch keine Erfahrungen gemacht hat.
Desweiteren kommt hinzu, dass es bereits soviele Erklärungen gibt.
In der vergangenen Woche bin ich durch die verschiedensten Schriften gesprungen, um mir eine spezielle Antwort zu suchen, welche zB das deutsche Kompendium nicht explizit gibt.
Also lese ich die Anleitung von Hifi-Selbstbau durch, suche im Visaton-Forum, usw. und komme nicht voran. Das dauert alles ewig und man dreht sich im Kreis, liest Threads durch über mehrere Seiten, deren Inhalt zu dreiviertel um ein anderes Thema geht, oder immer wieder durch neue Fragen zerklüftet werden.

Ich wäre vielleicht schon weiter, wenn es zB im deutschen Kompendium auf der ersten Seite geheissen hätte: Nimm die M-Audio Transit, den MPA102, das ECM-40 und nichts anderes. Hier im Kompendium geht es nur um genau diese Geräte.
Dann kann man als Nicht-Oszilloskopmessender, Nicht-Mathematiker und Nicht-Elektroniker schlicht die Werte übernehmen und gut.

Schönstes Beispiel: Zitat: Für den Anfänger empfiehlt sich der Einsatz der Messbox, da mit dieser Impedanzmessungen und zweikanalige Messungen ohne grossen Verkabelungsaufwand durchgeführt werden können.
Haha! Inzwischen wurde erkannt, wieviele Leute noch nicht mal mit einem Lötkolben umgehen können (mich eingeschlossen!), und es gibt im Visaton-Forum jemanden, der diese Messbox fertig veräussert (ich bin einer der glücklichen Käufer!).
Oder: Die Ausgangsspannung kann man mit einem Oszilloskop, oder einem GUTEN Multimeter messen (wobei darauf zu achten ist, dass das Multimeter über einen grösseren Frequenzbereich gleiche Spannungswerte ausgibt).
Wie soll man das denn wissen, ob das MM es das so tut?
Natürlich ist der dazugehörige Messaufbau EINFACH. Aber die Voraussetzungen sind es nicht.
Das sehen die Autoren dann nicht mehr, und als gnadenloser Anfänger geht man bereits im ersten Kapitel genau an diesen Stellen unter.

Wenn ich nicht einen sehr geduldigen Bekannten hätte, den ich immer wieder mal mit meinen kleinen Fragen nerven könnte, ich glaub, ich hätte längst aufgegeben und würde mich mit ATB als DAU-tauglichem Programm zufrieden geben.
Zitieren

#33
Hi ometa,
ich habe gerade einen weiteren Versuch abgebrochen. Nach dem Motto : gestern gings noch !Confused Ich verstehe zwar, dass die Messkette zusammen passen sollte und man ein paar Schritte vorab tätigen muß, um die Geschichte zu kalibrieren.
Nur ich wechsel ja nicht ständig die Soundkarte oder den Rechner.
So ist es eigentlich ausgeschlossen, dass die Ausgangsspannung sich ändert, die ich brav gemessen habe.
Die heutige Kalibrierung scheiterte an einem "Nervschild"...Input kleiner 60 dBFs Confused...wie jetzt...gestern nicht ???
Keene Ahnung was das jetzt soll. Nicht nachvollziehen kann ich dass bestimmte Dinge nicht abspeicherbar sind.
Da ich einen Rechner besitze und kein Laptop, darf ich immer auf dem Boden rumkrabbeln :mad:.
Loop rein und raus...Ausgang messen (theoretisch)..Mic rein usw... ich leg mir die Soundkartenanschlüsse nach Vorne.

Ne, das isses noch nicht. Ich erwarte von einem Kompendium auch eine Hilfestellung bei Fehlermeldungen, da ich keine Glaskugel besitze und mit googeln auch nicht weiter komme...Vielleicht sind andere Programme da besser. Da fehlt mir die Erfahrung. Na, mal schauen...kann nur besser werden..

Pedda
Zitieren

#34
Hallo,

Kleinhorn schrieb:Vielleicht sind andere Programme da besser. Da fehlt mir die Erfahrung. Na, mal schauen...kann nur besser werden..

was TSP und Impedanz betrifft von mir ein eindeutiges Ja !
Hobbybox ist da deutlich besser und einfacher.
Das System wird einmalig kalibriert, die Meßschaltung besteht aus einem Widerstand und einem Kalibrierwiderstand der nur für die
Kalibrierung benötigt wird.
Die Hilfe im Programm ist gut bebildert und in deutsch.
Sogar die Steckerbelegungen werden erklärt.

Am Meßverstärker sollte man sich die Einstellung am Regler allerdings präzise markieren.

Vor der Arta Meßbox schrecke ich wegen einiger "Noob" Fragen auch zurück die nirgends erklärt werden.

grüsse

Karsten
Zitieren

#35
Hallo Karsten,
zum Glück bin ich einen Schritt weiter. Hatte mich dann noch daran erinnert, dass gestern bei meinen "ersten Schritten" ein Problem auftauchte. Mit Hobbybox hab ich auch eine Kalibrierung versucht, fand es aber vergleichbar. Gut ist wirklich die Tatsache, dass es nur einmal eigestellt werden muß.
Zu Arta...Das Übel bei mir ist das Hin und Her zwischen den Mixern.
Da kam auch die Meldung her. Bei mir gibt es die üblichen Eingänge, aber die Einstellung "Was Sie hören" ist quasi Line In oder Mic usw... blöderweise verstellt sich das gern (warum auch immer). Bei meiner Soundkarte handelt es sich um eine Audigy 2 von Soundblaster. Aufgespielt wurden die Treiber von der Audigy 4, sonst kein SPDIF.
Bisher hat die Karte alle Tests mit "Erfolg" bestanden. Vieles habe ich jetzt bei "doing" verstanden. Ich kann jetzt kalibrieren Big Grin hat ja nur nen Tag gedauert....Die Schritte könnte ich jetzt erklären. Ich fürchte nur, messen kann ich noch lange nicht :o
Brauch neues Papier für das Kompendium, neue Tinte und nen Microständer...dann gehts weiter....

Daher schönes WE

Pedda :prost:
Zitieren

#36
holly65 schrieb:Vor der Arta Meßbox schrecke ich wegen einiger "Noob" Fragen auch zurück die nirgends erklärt werden.

grüsse

Karsten


Welche Fragen sind denn bzgl. der Messbox noch nicht geklärt worden???:eek:
Zitieren

#37
Ich bau demnächst eine..dann kann ich berichten...Big Grin

Pedda
Zitieren

#38
Ich könnte dir da eine anbieten, an der ich mich versucht habe :p
Zitieren

#39
vergiss das, ich habe quasi 2 über, die wollte er nich......
Zitieren

#40
So sieht das (Anhang 1) mit meiner E-MU 0202 aus.
Merkwürdiges "Ausschwingen" von gleichmässigen Perioden.
Über die Systemsteuerung kann ich nix im Audiomixer pegeln, da ich Gains (IN) auf dem Kistchen habe. Den RMS krieg ich nicht auf ~-3dBFS, nur auf -2,2 und mehr (Gain-Regler auf linken Anschlag - Anhang 3).
Allerdings "nur" 0,06 dB Differenz.
Ich kann aber auch anders! Smile
Siehe Anhang 2.
Da hab ich den "Stereo-Modus" des "Direct Monitors" eingeschaltet (das ist so ein Modus für Musiker, die einmal das USB-Signal auf die E-MU kriegen (zB. Drums) und dann über die Line-INs eine Gitarre anschliessen, und damit den Anteil des Line-INs zum OUT einpegeln können).
So wie ich das sehe (bei der Loop-Verkabelung), kriegt die EMU dann das Signal über USB UND über sich selbst an die Line-INs. Die periodischen Schwingungen zeigen mir also quasi die Latenz an?

Tja, und was ist dieser "Dither-Level"? Der soll ja auf 16 Bit. Hat das einen Einfluss, wenn meine EMU 24-Bit Wandler hat (Wikipedia sagt, "Dithering" sind Artefakte bei digi-zu-digi-Wandlung).

Fragen über Fragen...
Das Kompendium sagt auch, wähle "Kaiser". Inzwischen (1.5) gibt es aber schon Kaiser5 und Kaiser7. Jo mei, Preussen oder Bayern?

Haut das hin, oder doch besser einfach die M-Audio kaufen?


Angehängte Dateien Thumbnail(s)
           
Zitieren



Möglicherweise verwandte Themen…
Thema Verfasser Antworten Ansichten Letzter Beitrag
  ARTA Turntable MK II ente 20 31.444 15.10.2025, 07:46
Letzter Beitrag: Hank
  ARTA wird Freeware ente 8 4.446 09.12.2024, 20:17
Letzter Beitrag: Malik
  ARTA Ringversuch #3 stoneeh 35 45.944 09.05.2024, 19:39
Letzter Beitrag: stoneeh
  ARTA mit Turntable ente 181 179.151 06.05.2024, 10:19
Letzter Beitrag: DemonCleaner
  ARTA, Einstellung der Produktpflege ente 10 9.513 30.03.2024, 11:18
Letzter Beitrag: ArLo62
  Ende der Arta Entwicklung? Micha_HK 8 6.914 09.03.2024, 10:57
Letzter Beitrag: ArLo62
  Arta 1.9.7 ente 0 13.888 05.12.2023, 08:05
Letzter Beitrag: ente
  ARTA MessBox 4.1 ente 12 18.159 16.11.2023, 15:53
Letzter Beitrag: Azrael
  Arta 1.9.6 ente 1 5.874 02.02.2023, 20:29
Letzter Beitrag: ansch
  Arta 1.9.4 ente 9 9.367 02.11.2022, 10:00
Letzter Beitrag: Don Key

Gehe zu:


Benutzer, die gerade dieses Thema anschauen:
1 Gast/Gäste

Deutsche Übersetzung: MyBB.de, Powered by MyBB, © 2002-2026 Melroy van den Berg.