Themabewertung:
  • 0 Bewertung(en) - 0 im Durchschnitt
  • 1
  • 2
  • 3
  • 4
  • 5
wer hat Interesse an Röhrenamp Bau
Das ist im Prinzip nicht falsch (der Wert könnte aus'm Bauch passen), aber ein Schuss ins Dunkel. Ich such das Montag raus... Ist doch auch nur ein doofer Betonwiderstand Big Grin
Beste Grüße,
Andreas

"Don't you think if I were wrong I'd know it" - Dr. Sheldon Lee Cooper

Das ist Hobby - und kein Spaß!!!
Zitieren

Alles klar :thumbup:
[SIZE=2]"Die Tiefe ist rund" © Kaspie.[/SIZE]
[SIZE=2]
GLÜCK IST, WENN ES KEINE KATASTROPHE GIBT Big Grin
[/SIZE]

Zitieren

@Olli, vermutlich 1250 bzw. 625 Ohm Smile
Weiss noch nicht ob 2 oder 4 Röhren. Tu mich gerade mit dem Konzept und der Berechnung schwer, werde wohl einen Funkschau Plan statt EL34 bze EL84 auf EL12n umsetzen.
In Hamburg sagt man, Moin , LG Olaf_HH
Zitieren

Rechne doch öffentlich im Thread, so wie ich. Dann besteht die Chance, dass man Dir helfen kann.
[SIZE=2]"Die Tiefe ist rund" © Kaspie.[/SIZE]
[SIZE=2]
GLÜCK IST, WENN ES KEINE KATASTROPHE GIBT Big Grin
[/SIZE]

Zitieren

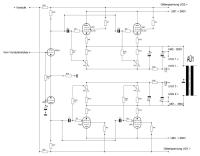
Sodele, hier mein erster Entwurf des Netzteils. Vom Grundsatz müsste das so richtig sein...... oder???

[Bild: attachment.php?attachmentid=13275&stc=1&d=1486757105]

Die Sicherungen vor der GZ34 würde ich mit 500mA bemessen. Primärseite fehlt noch, wie man sieht.

Ich stelle fest, dass mir das Netzteil erheblich mehr Kopfschmerzen bereitet wie die reine Verstärkerschaltung......

LG Olli


Angehängte Dateien Thumbnail(s)
   
[SIZE=2]"Die Tiefe ist rund" © Kaspie.[/SIZE]
[SIZE=2]
GLÜCK IST, WENN ES KEINE KATASTROPHE GIBT Big Grin
[/SIZE]

Zitieren

Die Sicherung brauchst du an der Stelle nur einmal, weil du ja keinen Mittelabgriff hast - Sonst wären's zwei Wickel und entsprechend zwei Sicherungen...


Zu Olafs PPP: Ich bin noch nicht dazu gekommen, mir das PPP-Prinzip genauer durchzulesen.
Aber im Prinzip isses so: Man fängt an den Endröhren an zu gucken und rechnen. Alles Weitere ergibt sich dann.
Beste Grüße,
Andreas

"Don't you think if I were wrong I'd know it" - Dr. Sheldon Lee Cooper

Das ist Hobby - und kein Spaß!!!
Zitieren

Achso:
Bau ruhig noch ein RC bei der Steuergitterspannung zur Siebung ein - der R wird sehr groß, da ja kein/kaum Strom fliesst.
Der Strom, der dort fliesst, rechnet sich über den Gesamtwiderstand der Spannungteiler (liegen parallel zueinander Wink )und der Spannung.
Beste Grüße,
Andreas

"Don't you think if I were wrong I'd know it" - Dr. Sheldon Lee Cooper

Das ist Hobby - und kein Spaß!!!
Zitieren

Hallo Oliver,
sieht schon nicht schlecht aus.
Die zwei Sicherung ist über,
Konsequent wäre es, wenn du die anderen Sekundärzweige auch mit einer Sicherung ausstatten würdest.

Gruß
Thomas
Zitieren

Folgende MKT hab ich mit Menge jeweils > 50 Stück

6,2 nF 1500V
0,22 uF 250V
0,1 uF 160V

Anbei meine Endröhren Schaltung nach Elektor Vorlage
Die Eingangssufe mit Treiber ist noch nicht da. Diese Schaltung soll als Berechnungsgrundlage dienen, eventuell auch nur mit einer Röhre pro Halbwelle.
Es werden pro Kanal jeweils 2 Spannungen für UB, UG und Ust benötigt, also für Stereo insgesamt 6 stück, wobei die Gitterspannungen aus den Hauptspannungen abgeleitet werden können.
Die Vorstufe bezieht ihre Spannungsversorgung aus einem der beiden UB's.
Bei PPP ist zu beachten, das die Spannungsverstärkung in der Symetrierung bzw Vorstufe stattfinden muss, das die Endröhren nur den Strom verstärken (Faktor <=1)


Angehängte Dateien Thumbnail(s)
       
In Hamburg sagt man, Moin , LG Olaf_HH
Zitieren

Moin Olaf,

ich komme so langsam in das Thema PPP rein.
Was man sofort erkennt, dass es sich bei den Endstufenröhren jeweils um eine Anodenbasisschaltung handelt. Daher ist die Verstärkung auch wenigergleich 1.

Ich schlage vor, dass wir erstmal die Arbeitspunkte der EL12 bestimmen.

Die Spannungsverstärkung liegt also in der Vorstufe.
Normalerweise machen Endröhren ein Verstärkung so umdie 5.
Vorstufen umdie 30.
Das heißt, dass die Vorstufe hier ca. 35 machen müsste. Oder mehr...?
Jetzt versteht man, warum hier auch Vorstufenpentoden eingesetzt werden.
Du bekommst eine hohe Verstärkung, eine hohe Ausgangsimpedanz und danach die Phasensplittung mit einer Stufe, die auch möglichst niederohmig rauskommst.
Diese Stufe muss umso niederohmiger sein, wenn du mit jeweils zwei Endröhren für Oben und Unten (parallel) arbeitest.

Man sieht, es wird einem nix geschenkt.

Will man das ganze vollsymmetrisch machen, läuft's auch darauf hinaus, dass die erste Stufe sehr hoch verstärkt, die zweite Stufe die Impedanz drückt und dann niederohmig an die Endröhren geht.
In der Praxis würde das wahrscheinlich darauf hinnauslaufen, dass du einen Eingangsübertrager schon mit einer leichten Übersetzung hast (leichte Spannungsverstärkung), dann eine Treiberstufe über Pentode für jeweils Oben und Unten, danach einen Kathodenfolger als Impedanzwandler (jeweils für Oben und Unten) und dann die Endröhren.
Ich sehe da beispielsweise eine EF86 als Treiber (jeweils Oben und Unten) und dahinter irgendeine Doppeltriode als Impedanzwandler...?

Oder vielleicht eine ECF200? Eine Pentode/Triode... Davon jeweils 2 pro Kanal - also vier insgesamt, wenn's vollsymmetrisch soll. Hmmmmm? Da geht natürlich Kohle rein Big Grin
Die Lautstärke dann ruhig - wie Alexander das gezeigt hatte - "normal" vor'm Eingangsübertrager oder mit einem Vierkanalstufenschalter...?
Eine PCF200 könnte man nehmen - die ist günstich zu bekommen, hat allerdings eine Heizspannung von 8 Volt.... Hmmmm?
Beste Grüße,
Andreas

"Don't you think if I were wrong I'd know it" - Dr. Sheldon Lee Cooper

Das ist Hobby - und kein Spaß!!!
Zitieren

Hi, kleine Verständnissfrage zum RAA in den Datenblättern.
Die EL12 ist bei AB gegentakt mit 5 K Ohm angegeben
Die EL12spec ist bei AB Gegetakt mit 6 K Ohm angegeben.
Die EL12n (die ja einer EL12spec) entspricht ist mit Raa von 8 K Ohm angegeben.
Mit welchem Wert muss ich jetzt arbeiten, doch den 8 K Ohm, oder?
Bei den Steuerspannungen für die Endröhren meine ich verstanden zu haben, das da über eine Mitkopplung die hohe Treiberspannung erreicht wird ?
Der EÜ kann ja mit Übersetzung arbeiten, ich muss dann mal schauen was es so gibt.
Jensen hätte ein 10K:20K EÜ: http://www.jensen-transformers.com/wp-co...1p4-11.pdf
In Hamburg sagt man, Moin , LG Olaf_HH
Zitieren

Raa hängt ab vom Arbeitspunkt und insbesondere von der Anodenspannung.
Ra(a) gibt die Steigung der Arbeitsgeraden vor. Damit ergeben sich dann "geometrisch" die Nulldurchgänge an den Achsen der Kennlinien.

"Raa" ist bei einer Anodenbasisschaltung eigentlich auch gar nicht wirklich der korrekte Terminus: Ranodeanode stimmt ja so gar nicht, da es bei der Anodenbasisschaltung keinen Arbeitswiderstand an der Anode gibt. Anders bei der Kathodenbasisschaltung.
Deswegen langsam anfangen: Erstmal die Anodenbasisschaltung durchackern und verstehen. Darauf baut alles Weitere auf.
Beste Grüße,
Andreas

"Don't you think if I were wrong I'd know it" - Dr. Sheldon Lee Cooper

Das ist Hobby - und kein Spaß!!!
Zitieren

Olaf_HH schrieb:...
Der EÜ kann ja mit Übersetzung arbeiten, ich muss dann mal schauen was es so gibt.
Jensen hätte ein 10K:20K EÜ: http://www.jensen-transformers.com/wp-co...1p4-11.pdf

Nee - den kannst'e jedenfalls nicht als Symmetrierübertrager nehmen. Der hat sekundär auch nur eine Wicklung. Das ist also nur ein Übertrager, mit dem man einen symmetrischen Eingang erzeugt, aber nicht splittet.
Beste Grüße,
Andreas

"Don't you think if I were wrong I'd know it" - Dr. Sheldon Lee Cooper

Das ist Hobby - und kein Spaß!!!
Zitieren

wie hoch bzw niederohmig muss der denn sec und primär sein ?
Eingang is VV bzw CD Player. eingang ist 1 spule und ausgang ist 2 spulen bzw 1 spule mit Mittenabgriff, richtig
In Hamburg sagt man, Moin , LG Olaf_HH
Zitieren

Zur Anodenbasisschaltung bzw. Katodenverstärker gibt's hier eine gut erklärte Anleitung, um zu einer Arbeitslinie zu finden:
http://www.radau5.ch/pdf_files/roeren_6.pdf
Beste Grüße,
Andreas

"Don't you think if I were wrong I'd know it" - Dr. Sheldon Lee Cooper

Das ist Hobby - und kein Spaß!!!
Zitieren

Olaf_HH schrieb:wie hoch bzw niederohmig muss der denn sec und primär sein ?
Eingang is VV bzw CD Player. eingang ist 1 spule und ausgang ist 2 spulen bzw 1 spule mit Mittenabgriff, richtig


Diese Eingangsübertrager werden i.d.R. mit den "übertragenden" Impedanzen angegeben.
Aus diesen Impedanzen kann man sich die Übersetzung ausrechnen:

ü = N1/N2 = Wurzel (R1 / R2) oder ü^2 = R1 / R2

Und ja: Die Sekundärwicklung ist zweifach, bzw. ergibt sich doppelt durch den Mittelabgriff. Du musst eine der beiden Sekundärwicklungen verpolen, sonst bekommst du keine Phasendrehung für die unteren Röhren.
Beste Grüße,
Andreas

"Don't you think if I were wrong I'd know it" - Dr. Sheldon Lee Cooper

Das ist Hobby - und kein Spaß!!!
Zitieren

hoschibill schrieb:Sodele, hier mein erster Entwurf des Netzteils. Vom Grundsatz müsste das so richtig sein...... oder???

[Bild: attachment.php?attachmentid=13275&stc=1&d=1486757105]

...
LG Olli

Folgendermassen:
Die 0C3 brauchen einen Mindeststrom von 5mA
Damit rechnet sich der Vorwiderstand der Stabiröhren wie folgt:

Rv = (Ub - Ustab) / (Imin + Istab) = (300-250) / (5 + ?) =

Schreib mal in deine Skizze, welche Ströme da fliessen... Ich vergesse immer weider, wieviel Schirmgitterstrom du brauchst Rolleyes
Um die 225Volt abzuholen, solltest du direkt am ersten Siebelko bei 300Volt einen Abzweig machen. RC und gut. Sonst läuft der Strom der 225Volt auch über die Stabis (wofür sind die 225Volt nochmal?) Waren die für die Treiber?
Dann hol die Spannung bei den 300Volt ab und siebe (RC) für jede Triodenhälfte einzeln.
Merken
Beste Grüße,
Andreas

"Don't you think if I were wrong I'd know it" - Dr. Sheldon Lee Cooper

Das ist Hobby - und kein Spaß!!!
Zitieren

Moin Andreas Smile
Die Endröhren ziehen je 5mA am G2. Also 10 zusammen. Dazu kommen bei mir 18mA für die beiden Systeme der ECC85. Macht zusammen 28mA.

Rv = (Ub - Ustab) / (Imin + Istab) = (300-250) / (5 + 28) = 50/33 = 1,52KOhm~1,5KOhm.

Das ist etwas weniger als bei RC Siebung (1,8KOhm). Dürfte passen.

Ja, die Anodenspannung von den Treiberröhren wollte ich auch über die Stabilisierung laufen lassen. Keine gute Idee? Wenn nicht, warum nicht? Den Gesamtstrom von 28mA müsste die Stabischaltung doch locker schaffen, oder?

LG Olli
[SIZE=2]"Die Tiefe ist rund" © Kaspie.[/SIZE]
[SIZE=2]
GLÜCK IST, WENN ES KEINE KATASTROPHE GIBT Big Grin
[/SIZE]

Zitieren

Kannste machen
Ich würde aber dann die Treiber auch gleich mit 250Volt anfahren
oder - wenn weniger Spannung soll - die Siebung dann jeweils direkt an der Treiberröhre für jede Hälfte einzeln machen. Also ein RC jeweils vor den Arbeitswiderstand
Beste Grüße,
Andreas

"Don't you think if I were wrong I'd know it" - Dr. Sheldon Lee Cooper

Das ist Hobby - und kein Spaß!!!
Zitieren

a.j.h. schrieb:die Siebung dann jeweils direkt an der Treiberröhre für jede Hälfte einzeln machen. Also ein RC jeweils vor den Arbeitswiderstand
Die Idee finde ich super. So wird das gemacht. Heute Abend Zeichnungen korrigieren Big Grin.

Einmal mehr vielen Dank für Deine Unterstützung :thumbup:
[SIZE=2]"Die Tiefe ist rund" © Kaspie.[/SIZE]
[SIZE=2]
GLÜCK IST, WENN ES KEINE KATASTROPHE GIBT Big Grin
[/SIZE]

Zitieren



Möglicherweise verwandte Themen…
Thema Verfasser Antworten Ansichten Letzter Beitrag
  UCD Converter Board - Wie viel Interesse? EMP 212 80.437 27.02.2022, 21:08
Letzter Beitrag: Kleinhorn
  Interesse für Aktivlautsprecherecke? wgh52 69 14.629 03.04.2020, 07:44
Letzter Beitrag: gatedriver
  Muses Volume Control - Interesse ? Grobalt 15 5.726 04.06.2014, 14:52
Letzter Beitrag: Gabrie
  90Watt RöhrenAmp by Velleman dieterschneider 10 13.118 18.01.2014, 19:09
Letzter Beitrag: SNT
  sehr schönes Gehäuse T- oder RöhrenAmp dieterschneider 0 2.111 24.08.2011, 09:20
Letzter Beitrag: dieterschneider
  KüchenWandboxen mit EL84-RöhrenAmp dieterschneider 1 2.290 18.06.2011, 20:14
Letzter Beitrag: elheizo
  RöhrenAmp: AnodenspannungsPlatine dieterschneider 0 1.995 21.04.2011, 06:29
Letzter Beitrag: dieterschneider

Gehe zu:


Benutzer, die gerade dieses Thema anschauen:
1 Gast/Gäste

Deutsche Übersetzung: MyBB.de, Powered by MyBB, © 2002-2026 Melroy van den Berg.