Themabewertung:
  • 0 Bewertung(en) - 0 im Durchschnitt
  • 1
  • 2
  • 3
  • 4
  • 5
Hilfe bei Limp - der LumP
#61
Hallo Matthias,

eigentlich nur eingeben, soso....


Ich machs mal noch einfacher:

Ich möchte eine Klirrmessung bei 90dB@1khz machen, wie gehts?

Ich schau mal eben bei HB: also, Verstärkung Pre, habbisch, Empfindlichkeit mic, habbisch, .......Testmessung bei 1khz machen.....einpegeln......go!

Bisher nehme ich meinen Pegelmesser( Genauigkeit laut Kalibrierprotokoll bei 0,1dB@1khz) , klemme den statt Mikro in die Halterung und pegel ein....der Rest interessiert mich dann nicht mehr
Vielleicht verliere ich mich ja nur in dem Gewirre, aber über so was praxisnahes habe ich das Kompendium, das eigentlich immer unter meinem Kopfkissen liegt, nicht ausquetschen können....


ich sagte ja, ich bin auch nur Dau.....

Gruß

Markus
Zitieren

#62
Hallo Markus,
eltipo schrieb:eigentlich nur eingeben, soso....
Vorausgesetzt Dein System ist ordentlich kalibriert (ansonsten ist es ja eh egal, was die Kiste anzeigt), muß man tatsächlich nur den Verstärkungsfaktor des Messverstärkers eingeben, um im Einkanalmodus den gleichen Pegel wie im Zweikanalmodus zu messen.

Mache mal eine Referenzmessung im Zweikanalmodus (ARTA) und speichere diese als Overlay ab. Dann wechselst Du in in den Einkanalmodus und machst ebenfalls eine Messung und vergleichst diese mit der Referenzmessung. Da im Setup bei "Power amplifier gain" für Gewöhnlich eine "1" steht, wird die Messung stark von der Referenz abweichen. Jetzt gibst Du einen Wert von z.B. "20" im Setup ein und wiederholst die Messung. Jetzt solltest Du schon näher an der Referenz dran sein. Mit ein bißchen "Versuch und Irrtum" solltest Du auf diese Weise die beiden Kurven recht schnell zur Deckung bringen. Natürlich könnte man die Verstärkung auch messen, aber als Elektronik-DAU bin ich mit der iterativen Methode schneller und sicherer.

eltipo schrieb:Ich machs mal noch einfacher:

Ich möchte eine Klirrmessung bei 90dB@1khz machen, wie gehts?

Ich schau mal eben bei HB: also, Verstärkung Pre, habbisch, Empfindlichkeit mic, habbisch, .......Testmessung bei 1khz machen.....einpegeln......go!

Bisher nehme ich meinen Pegelmesser( Genauigkeit laut Kalibrierprotokoll bei 0,1dB@1khz) , klemme den statt Mikro in die Halterung und pegel ein....der Rest interessiert mich dann nicht mehr
Vielleicht verliere ich mich ja nur in dem Gewirre, aber über so was praxisnahes habe ich das Kompendium, das eigentlich immer unter meinem Kopfkissen liegt, nicht ausquetschen können....
Was spricht dagegen, es bei ARTA (STEPS) genauso zu machen*?

Bei STEPS: in das "Measurement Setup" wechseln. Im Feld "Test frequency (Hz)" die gewünschte Frequenz eingeben. Mit dem "Generator level" (oder am Messverstärker) stellst Du schließlich noch den Pegel ein. Fertig.


*) von der Sinnhaftigkeit, in einer reflexionsbehafteten Messumgebung den Pegel bei nur einer Frequenz (1kHz) auf 0,1 dB genau einzustellen, mal ganz abgesehen.


Grüße
Matthias
Zitieren

#63
Hallo Matthias,


soweit ich das verstanden habe, messe ich im 2-Kanalmodus gar nicht den tatsächlichen Pegel, sondern lediglich den Pegel, den ich dann entsprechend der Skalierung auf einen Meter entsprechend einer (angenommenen Klemmenspannung) hochgerechnet bekomme.
Da liegt dann nämlich die Krux!

der tatsächliche Pegel wird doch niemals angezeigt?!
(doch klar, wenn ich einen Meter Abstand halte und 2,83 Volt an den Klemmen habe...)

(Ich verstehe schon, was du mit deiner iterativen Methode meinst, aber die brauche ich in der Form ja nicht, ich kann ja schon 2-ch messen)....

Jetzt stellt sich natürlich die Frage, ob du mein Ansinnen verstanden hast ( auf die 1-kanalige Messung komme ich nur, weil ich unter Arta mal eben ganz nach Farina Klirr messen kann, was aber nur im 1-Kanal-Modus geht....), oder ob wir aneinander vorbei reden.....
Ich habe da jetzt im Eifer des Gefechts etwas durcheinander geworfen, es sei mir verziehen, aber mir stellt sich halt die Frage, ob Steps generell den korrekten Pegel anzeigt, oder im 2-Kanal wie Arta einfach hochrechnet? ( und ich deswegen den 1-Kanal anführe, weil ich ja keinen hochgerechneten Pegel messen will, sondern tatsächlichen!)

Von der Sinnhaftigkeit meiner Methode ganz abgesehen, die du sicher nur deswegen in Frage gestellt hast, damit andere Leute nicht meine zugegeben vereinfachte Messart kopieren und sich wundern, wieso sie womöglich auf andere Ergebnisse kommen, weil sie eigentlich gar nicht versuchen sollten, nur eine exemplarische Frequenz als Referenz zu nehmen....
(Es war ein Beispiel, ein Beispiel!!!, ich wollte nur klar machen, dass das Mopped ziemlich genau ist, und ich mich deswegen bisher darauf verlassen habe.....!)


Gruß und Danke für deine Hilfe


Markus
Zitieren

#64
Hallo Markus,

jetzt habe ich verstanden was Du meinst. Das hat allerdings nichts mit Ein-/Zweikanalmessung zu tun, sondern ist eher allgemeiner Natur.

ARTA/STEPS messen schon den "richtigen" Pegel, beziehen diesen aber generell auf eine Klemmenspannung von 2,83 V (bzw. 1 V). Das ist einerseits sehr komfortabel, weil man sich beim Messen nicht um die Ausgangsspannung kümmern muß - man mißt immer "richtig". Andererseits - und da stimme ich Dir zu - ist es gerade bei Klirrmessungen irreführend, wenn in der Überschrift etwas von "2,83V" steht, man in Wirklichkeit aber mit 10 V gemessen hat.

Ich werde den Chef mal fragen, ob man das auch anders lösen kann.


Grüße
Matthias
Zitieren

#65
Matthias schrieb:Andererseits - und da stimme ich Dir zu - ist es gerade bei Klirrmessungen irreführend, wenn in der Überschrift etwas von "2,83V" steht, man in Wirklichkeit aber mit 10 V gemessen hat.

Ich werde den Chef mal fragen, ob man das auch anders lösen kann.


Grüße
Matthias


Puh, danke, und ich dachte schon, ich wäre über meinen krüppeligen Intellekt gestolpert.....

Gruß

Markus
Zitieren

#66
Hallo,

auch bei mir hat der Lump zugeschlagen, und ich weiß einfach nicht mehr was ich tun soll.

Bei jeder Impedanzmessung die ich vornehme ist die Resonanzfrequenz um etliches nach oben verschoben.

So zum Beispiel beim Peerless Sub220-Chassis.

Ich erwarte nach Messungen von Holly65 eine Resonanzfrequenz von ca. 30hz bei einer Impedanz von ungefähr 50 Ohm.

Soweit so gut. Wenn ich jetzt aber bei mir messe, kommt dabei eine Resonanzf. von 40hz bei ungefähr 50 Ohm bei raus.

Ich habe einmal per Kopfhörerausgang und einmal über einen Verstärker gemessen. Die Ergebnisse waren die Gleichen.

Es liegt auch nicht an der Soundkarte (Alesis iO|2) oder am Messaufbau. Beides habe ich mindestens 10x überprüft und bei Messungen von Kondensatoren, Spulen oder Widerständen kommt immer ein korrektes Erbenis bei raus, nur bei der Impedanzmessung von Chassis eben nicht.

Habt ihr eine Idee wo der Fehler liegen könnte. Bin langsam am verzweifeln, da ich so einfach keine vernünftige Grundlage für den Lautsprecherbau habe.

Anbei noch mal eine Bild der letzten Messung.

http://www.diy-hifi-forum.eu/forum/album...ureid=1160

Danke schon mal.

MfG,

Martin
Zitieren

#67
2 Fragen:
-->Ist das Chassis eingespielt? Bei einem fabrikneuen Tieftöner liegt die Resonanzfrequenz immer bei einer höheren Freuenz, wie bei einem eingespieltetem Exemplar.
-->Hast Du als Anregungssignal Pink Noise verwendet?
Das macht oft auch einige Hertz aus, bei Sinusanregung liegt die Reso meist etwas tiefer. Wenn ich mich recht entsinne, misst Holly die Impedanz mit Hobbybox, und das kann gar keine Messung mit Rauschsignal...

Auch der Anregeungspegel hat bei manchen Chassis noch ein Wörtchen bei der Resonanzfrequenz mitzureden...

Wenn sich diese drei Faktoren kombinieren, kann es schon zu solchen Abweichungen (oder noch größer) kommen.
Dimebag isn't dead…
…in secret, he's teaching to Chuck Norris how to be a man!
Gaaaaanz viel Zeug zu verkaufen...
Zitieren

#68
ok das mit dem einspielen kann nat. gut sein, das werde ich gleich noch mal in Angriff nehmen (bzw. ein eingespieltes Chassis zum Testen nehmen)

Als Anregung nehme ich immer den Sinussweep, dass kann ich also schon mal als Fehlerquelle ausschließen.

Wie hoch soll den der Pegel beim Messen sein? Hab gelesen, dass der größere Ausschlag so bei 75% liegen soll, aber genaueres weiß ich da nämlich nicht. Wäre also schön, wenn du mir da noch mal was spezifischeres sagen könntest.

MfG,

Martin
Zitieren

#69
Hmm. Sooo viel Ahnung hab ich jetzt auch nicht, bin ja selber noch Messanfänger :o
Zum Thema Einspielen: Es sollte schon im Einspielvorgang der Pegel so gewählt werden, dass die mögliche Hubfähigkeit des Chassis annähernd erreicht wird. Wenn man ein Fabrikneues Chassis misst und dann manuell die Membran bis zur Grenze der Aufhängung durchbewegt, sollte man schon eine etwas niedrigere Resonanzfrequenz messen können. Wenn mans beim Drücken und ziehen der Membran dann auch noch leise knistern hört, hat sich auf jeden Fall schon mal was getan! Dann haben ich nämlich die zu steif geratenen Strukturen der Harzgetränkten Zentrierspinne gelockert (besser gesagt, sind gebrochen), was dem Chassis aber nicht schadet, sondern man hat in Sekundenschnelle einen Zustand erreicht, der dem Langzeitzustand schon näher ist als vorher Cool.
Bezüglich der unterschiedlichen Messpegel würde ich einfach mehrere Messdurchgänge machen um zu sehen, ob sich an der Resonanzfrequenz nenneswert was tut! Bei dem Sub 220 braucht man da auch nicht so viel Angst haben, dass es ihm schnell zu viel wird.

...bei mir steht heute sowieso noch eine kleine Mess-Session an, da kann ich ja mal versuchen einen ähnlichen Effekt zu provozieren...
Dimebag isn't dead…
…in secret, he's teaching to Chuck Norris how to be a man!
Gaaaaanz viel Zeug zu verkaufen...
Zitieren

#70
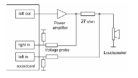
Hi Martin,

ich kann mich da Chaomaniac nur anschließen.
Die Höhe der Spannung am zu messenden Lautsprecher spielt eine große Rolle bei der
Ermittlung der Resonanzfrequenz bzw. der TSPs.

Ich gehe mal davon aus, dass Du diese Schaltung aus dem ARTA Handbuch verwendest.
(Der Referenzwiderstand, den Du benutzt besitzt einen Wert von 27 Ohm.)

[Bild: attachment.php?attachmentid=886&stc=1&d=1254746619]
Wie Chaomaniac bereits empfohlen hat, erhöhe doch bitte die Spannung am Leistungsverstärker,
und beobachte die Resonanzfrequenz:
Beginne mit einer Spannung von 0,25 V am Leistungsverstärkerausgang und Erhöhe die
Spannung dann nach und nach auf 3 V.
Schallte zunächst Rosarauschen als Anregungssignal an, dann solltest Du die Veränderung der Resonanzfrequenz direkt beobachten können.

Sehr Wichtig:
Chassis muss vorher eingespielt werden.
(Wie bereits erwähnt)


Viele Grüße

Christoph


Angehängte Dateien Thumbnail(s)
   
Zitieren

#71
So, habe jetzt mal einen Tang Band W4-655SA am Start.

Der Erregungspegel war rel. gering, die Eingänge der Soundkarte bei ungefähr 3/4-Stellung.

Als Ergebnis bekomme ich wieder eine Kurve die so aussieht wie sie aussehen sollte, nur dass sie um 15 Hz nach oben verschoben ist und einen Maximalausschlag von 120 Ohm hat.
Normal sollten 77 Hz bei irgendwas um die 25 Ohm sein.

Der Tang Band ist ca. 4 Jahre alt und sollte daher eingespielt genug sein.

Ich hab langsam das Gefühl, jemand will mir sagen, dass ich nicht zum Selbstbauen gemacht bin.
Zitieren

#72
Hi Martin,

und noch einmal.Big Grin

Wie hoch ist der Referenzwiderstand, den Du verwendest?
Bitte Erhöhe die Spannung am Lautsprecher.

Du wirst feststellen, dass bei sehr niedriger Spannung die Resonanzfrequenz nach oben rutschen wird.

Viele Grüße

Christoph
Zitieren

#73
Hallo Martin,

messe doch mal mit "Stepped Sine". Die Membran darf dabei ruhig sichtbar Hub machen, aber auch nicht zu viel. Es reicht übrigens aus, den Bereich um die Resonanzfrequenz herum zu messen (z.B. von 20 Hz bis 200 Hz), d.h. man muß nicht immer das "vollle Programm" abwarten (piep, piep, piep ... Smile).

Einspielen bringt manchmal viel, manchmal gar nichts. Hierzu muß man den Lautsprecher aber wirklich an seine mechanische Grenzen bringen, sonst kann man sich den Vorgang IMHO auch sparen. Ein paar Minuten im Grenzbereich, am besten unter menschlicher Aufsicht, reichen in der Regel völlig aus. Vor dem Messen aber erst wieder ein paar Stunden "abkühlen" lassen.

BTW, wenn ein Lautsprecher seit 4 Jahren in Betrieb ist, heisst das nicht automatisch, daß er auch eingespielt ist. Wink


Grüße
Matthias
Zitieren

#74
Also der referenzwiderstand ist 11 Ohm groß.

Hab die Lautstärke mal etwas nach oben gedreht und die Eingangsempfindlichkeit soweit angepasst dass nichts übersteuert und so komme ich auch eine Fres von 80 Hz. Die Amplitude liegt dann aber immer noch bei 52 Ohm. Aber schon mal ein Fortschritt.

Die Messungen mache ich eingetl. immer mit "stepped sine" ich nehme nur zum kurzen Überprüfen ob alles richtig angeschlossen ist das Rauschen.

Und der TB ist wirklich eingespielt, hatte ihn vor dem ersten Einbau bei 30 Hz eine Weile lang huben lassen.


MfG,

Martin
Zitieren

#75
Hallo Martin,

wer hat denn die 25 Ohm bei 77 Hz gemessen? Das würde auf eine ziemlich niedrige mechanische Güte hindeuten, die der kleine TB zumindest laut Herstellerdatenblatt nicht hat.


Grüße
Matthias
Zitieren

#76
Die Angaben hab ich aus der Klang und Ton, besser aus dem Artikel zur CT217/218 von Udo)

[EDIT]:

ALso hab dem TB mal wirklich Dampf gemacht und nun scheint es wirklich zu passen. Eine fres von 72 Hz bei 75 Ohm. Das klingt doch gut.

Wie schaut es denn nun aber bei Hochtönern aus? Wie weit muss ich da mit der Lautstärke gehen? Nicht dass ich noch die Schwingspule brate.

Aber schon mal ein großes Danke an euch. Dass der Fehler dann bei sowas einfachem zu finden ist hätte ich nicht gedacht.

MfG,

Martin
Zitieren

#77
Hallo Martin,

ich würde jetzt einfach mal behaupten, daß Deine Messung ziemlich richtig ist. Gibt man die von U.W. gemessenen TSP in AJ-Horn ein, simuliert das Programm folgenden Impedanzgang:

[Bild: attachment.php?attachmentid=887&stc=1&d=1254765193]

Das ist leider typisch für die K&T. Wahrscheinlich war einfach nur die Skalierung dieser Monstergraphik falsch ....


Grüße
Matthias


Angehängte Dateien Thumbnail(s)
   
Zitieren

#78
Hi Martin,

so wie ich Dich verstanden habe, hast Du also auch eine Abhängigkeit zwischen Spannung und Resonanzfrequenz festgestellt, oder?

Mich würde nun interessieren wie hoch die Spannung war, die Du am Leistungsverstärkerausgang eingestellt hast.
(Messung mit einem Multimeter bei 50 Hz Sinus)


Übrigens:
Diese Abhängigkeit gilt nur bei Tieftönern bzw. Tiefmitteltönern.
Bei Hochtönern sind keine hohen Spannungen notwendig, um die Resonanzfrequenz korrekt zu ermitteln.

Viele Grüße

Christoph
Zitieren

#79
also bei 50hz sind es genau 2,4V

Gut dann mess ich morgen mal den Hochtöner durch und den W4 im Gehäuse. Ich stell dann mal die Messungen hier rein, wenn das es ok ist. Dann könnt ihr eventuell kurz reinschauen und mir sagen ob auch alles soweit passen könnte. Wenn dann alles stimmt, kann ich endlich richtig loslegen.

Danke noch mal und eine gute Nacht.

Martin
Zitieren

#80
Matthias schrieb:Hallo Markus,

jetzt habe ich verstanden was Du meinst. Das hat allerdings nichts mit Ein-/Zweikanalmessung zu tun, sondern ist eher allgemeiner Natur.

ARTA/STEPS messen schon den "richtigen" Pegel, beziehen diesen aber generell auf eine Klemmenspannung von 2,83 V (bzw. 1 V).

Ich werde den Chef mal fragen, ob man das auch anders lösen kann.


Grüße
Matthias

Hat der Chef schon was gesagt?

Ich bin immer noch interessiert.....Wink
Zitieren



Möglicherweise verwandte Themen…
Thema Verfasser Antworten Ansichten Letzter Beitrag
  LIMP, Einstellung der Wortbreite bei ASIO ausgegraut. ton-feile 9 10.200 29.03.2023, 13:53
Letzter Beitrag: 4711Catweasle
  TSP Berechnungsmodelle in Limp wus 10 10.380 14.12.2021, 13:43
Letzter Beitrag: ente
  Brauche Hilfe bei Bestimmung der TSP und Interpretation der Ergebnisse Rainer_Zufall 18 16.730 26.08.2021, 09:41
Letzter Beitrag: stoneeh
  LIMP (ARTA) ein ebcak - Lautsprecherkabel am AMP vertauscht Ausgeschiedener Benutzer 19 6.431 14.07.2020, 11:57
Letzter Beitrag: Ausgeschiedener Benutzer
  Erste Impedanzmessung mit LIMP - da stimmt etwas nicht. Herr der Ringkerne 15 14.698 25.09.2019, 04:55
Letzter Beitrag: Lionheart
  Probleme Limp mit Windows 10 ZwackHKH 10 10.990 15.07.2018, 22:41
Letzter Beitrag: fosti
  Bitte um Hilfe / Erklärung - Burst decay Don Key 3 6.449 29.03.2018, 07:36
Letzter Beitrag: Don Key
  Probleme mit LIMP (Impedanzmessung, Win7, Focusrite Scarlett 2i4) Walden0 11 10.210 13.02.2017, 21:02
Letzter Beitrag: Walden0
  ARTA Messbox- Aufbau Hilfe/Fragen Dirk_H 12 8.425 17.12.2016, 10:12
Letzter Beitrag: Dirk_H
  LIMP mit ASIO, Buffer der Soundkarte lässt sich nicht einstellen. ton-feile 10 6.391 06.12.2016, 15:54
Letzter Beitrag: ton-feile

Gehe zu:


Benutzer, die gerade dieses Thema anschauen:
1 Gast/Gäste

Deutsche Übersetzung: MyBB.de, Powered by MyBB, © 2002-2026 Melroy van den Berg.