Themabewertung:
  • 3 Bewertung(en) - 5 im Durchschnitt
  • 1
  • 2
  • 3
  • 4
  • 5
Scandinavian Connection MkV | 27TBCD/GB-DXT | SB15NBAC30-4 | 26W/8534G00 | HypexFA123
#1
Hi zusammen,

Hier die Doku der Scandinavian Connection Mk V

Vorgängerthread:
[URL="https://www.diy-hifi-forum.eu/forum/showthread.php?16024-Scandinavian-Connection-MkIII-Eine-Dreiwege-Standbox-mit-ScanSpeak-Treibern"]https://www.diy-hifi-forum.eu/forum/showthread.php?16024-Scandinavian-Connection-MkIII-Eine-Dreiwege-Standbox-mit-ScanSpeak-Treibern
[/URL]
[ATTACH=CONFIG]50395[/ATTACH]

[ATTACH=CONFIG]50396[/ATTACH]
[ATTACH=CONFIG]50397[/ATTACH]


[ATTACH=CONFIG]50398[/ATTACH]

[ATTACH=CONFIG]50399[/ATTACH]

[ATTACH=CONFIG]50400[/ATTACH]

[ATTACH=CONFIG]50401[/ATTACH]

[ATTACH=CONFIG]50402[/ATTACH]


Angehängte Dateien Thumbnail(s)
                       
                   
                   
                   
                   
                   
                   
                   
                   
                   
       
"Science is about what is, Engineering is about what can be"
Neil Armstrong
Zitieren

#2
Von den Messungen her sieht das ja sehr gut aus. Mit den Hypex Modulen kann man ja schön spielen und muß sich dann aber entscheiden was man macht. Dieser Schritt ist oft das Kriterium ob es gut ist oder auch noch besser ginge.
Zitieren

#3
Update - Doku vervollständigt! Smile
"Science is about what is, Engineering is about what can be"
Neil Armstrong
Zitieren

#4
Topp, sehr ausführliche Doku und sieht auch gut aus !!! :prost:
Zitieren

#5
Topp, sehr ausführliche Doku und sieht auch gut aus: Messungen wie auch der LS !!! :prost:
Zitieren

#6
Hallo zusammen,

kleines Update: Big Grin

[ATTACH=CONFIG]53693[/ATTACH] [ATTACH=CONFIG]53694[/ATTACH]

Die im Wettbewerb verwendete Abstimmung / Filterauslegung war für mich "fertig" und ist im wesentlichen unverändert geblieben, folgende Anpassungen wurden gemacht:

- Trennfrequenz TT/MT von 250 auf 300 Hz erhöht, um den Mitteltöner etwas zu entlasten
- Passives Filter vor dem Rückseitigen HT (Monacor DT-350NF), 3,3 uF + 10 Ohm in Serie vor dem HT
- Größere Rollen, die Hinteren sind jetzt feststellbar

- TT-Pfad um genau 6dB abgesenkt, um die Kennschalldruckerhöhung bei Parallelschaltung des 2ten, gleichen Tieftöners auszugleichen.
- Linkwitz-Entzerrung in CB auf 36HZ, Q=0,85

Simulation Tieftonzweige (mit Schallwandeinfluss) MkV (1TT, BR) vs. MkVI (2TT parallel, CB, mit Linkwitz-Entzerrung, Absenkung -6dB):

[ATTACH=CONFIG]53696[/ATTACH]

Ergebnis:
- Bass knackiger
- unverzerrter Maximalpegel höher (deutlich!)
- Hochton "luftiger"
- Raumliche Abbildung etwas breiter und leicht nach hinten versetzt

Zusammengefasst: mindestens 100dB RMS am Hörplatz ... und zwar "glasklar" Cool

Tja, viel mehr Verbesserungen fallen mir jetzt nicht ein. Das Einzige was ich noch geplant habe ist, auf Dauer die beiden Aluprofil-"Flügelchen" durch massive Echtholzplatten 40-50mm and den Gehäuseseiten zu ersetzen.

Man merkt jetzt richtig wie die Raumakustik den noch als angenehm wahrgenommenen Maximalpegel "zudrückt", werde mich jetzt darauf konzentrieren.
Erste kostenlose Maßnahme: 12qm potentielle Diffusorfläche nicht ungenutzt lassen:

[ATTACH=CONFIG]53697[/ATTACH][ATTACH=CONFIG]53698[/ATTACH][ATTACH=CONFIG]53699[/ATTACH]

Viele Grüße
Peter


Angehängte Dateien Thumbnail(s)
                       

"Science is about what is, Engineering is about what can be"
Neil Armstrong
Zitieren

#7
Hallo Peter,
vielen Dank für die tolle Doku Smile
Sehr schön zu sehen, wie es in großen Schritten deutlich besser wird.
Ist der hintere Hochtöner parallel zum vorderen angeschlossen?
Hast Du die Idee zum Rückseitigen HT von einem bestimmten anderen LS übernommen?
Viele Grüsse aus Offenburg, Nils
Zitieren

#8
Hallo Peter,

deine Konstruktion gefällt mir sehr, sehr gut. Absolut sauber aufgebaut und dokumentiert.
Die einzelnen Verbesserungsschritte sind gut nachvollziehbar.

Magst du vielleicht noch ein bisschen was zum Abstrahlverhalten sagen? Man sieht ja in den Messungen, dass zwischen 1,5 kHz und 2,5 kHz die Abstrahlung etwas aufweitet, obwohl das Abstrahlverhalten insgesamt ja dennoch sehr gleichmäßig ist. Die wechselnde Hochtonbestückung und die Verbreiterung der Schallwand bei der MkV deuten darauf hin, dass du da auch viel rumprobiert hast. Vielleicht kannst du hierzu ja noch etwas erzählen, was du sonst noch so ausprobiert hast und wie du letztlich zu dem finalen Setup gekommen bist.

Ich abreite auch gerade an einem 3-Weger mit relativ breiter Schallwand (44cm) mit außermittigem Coax. Von daher interessieren mich deine Erfahrungen sehr.

Gruß

waterburn
Zitieren

#9
waterburn schrieb:Magst du vielleicht noch ein bisschen was zum Abstrahlverhalten sagen? Man sieht ja in den Messungen, dass zwischen 1,5 kHz und 2,5 kHz die Abstrahlung etwas aufweitet, obwohl das Abstrahlverhalten insgesamt ja dennoch sehr gleichmäßig ist. Die wechselnde Hochtonbestückung und die Verbreiterung der Schallwand bei der MkV deuten darauf hin, dass du da auch viel rumprobiert hast. Vielleicht kannst du hierzu ja noch etwas erzählen, was du sonst noch so ausprobiert hast und wie du letztlich zu dem finalen Setup gekommen bist.

Etwas sehr späte Anwort Rolleyes:
Ja, horizontal weitet sich die Abstrahlung in dem Bereich auf. Das wird aber ganz gut durch die Bündelung um die Trennfreqenz bei 2kHz ausgeglichen; Man kann sagen die Abstrahlung wird dort breiter aber dafür flacher, sodass der Gesamtenergiefrequenzgang wieder einigermaßen passt.

Der Vorläufer MkIII im gleichen Gehäuse war eine rein passive Konstruktion mit einer anderen Mittelhochtonbestückung, mit der ich dauerhaft nicht 100% glücklich war. Als Mitteltöner habe ich dann den SB aufgrund seiner herausragenden Messdaten und weil er nach Bauchgefühl mit seiner Alumembran gut zum Bass passt genommen.

Die DXT hatte ich schon mal in einer anderen Box verwendet und ahnte ihr Potential, hatte sie aber damals aber aufrund ihres ungewöhlichen Frequenzgangs (und wahrscheinlich meines Unvermögens...) mit einer passiven Weiche nicht gut in den Griff bekommen. Da ich auf aktiv gegangen bin mit deutlich mehr Freiheiten bei der Filterung, wollte ich ihr nochmal eine Chance geben und bin zufrieden. Testweise hatte ich später kurzzeitig diese hier drin: http://www.seas.no/index.php?option=com_...Itemid=462
War nicht schlecht, hat aber aufgrund der anderen Abstrahlung eine komplett anderen Sound gemacht. Die DXT fand ich besser - vielleicht auch nur weil man sich schon an den Sound gewöhnt hatte....

Bei den Aluprofilen hatte ich als Inspiration ein bisschen die Frontplattengeometrie der Grimm LS1 zum Vorbild; In den Messungen "ohne" waren deutliche Kantenreflektionen zu sehen und ich habe überlegt wie ich noch was "rausholen" könnte ohne ein neues Gehäuse zu bauen, mit dem Ziel "breiter und abgerundet".

Der "Renntrimm" ist mittlerweile wieder ab, aus optischen und Platzgründen. Die Weiche ist nicht geändert - hatte noch alte Messungen ohne Flügelchen und versuchsweise kleine Anpassungen gemacht, aber mit der ursprünglichen Filterung gefiel's mir am besten. Die SCs sind jetzt in mein Arbeitszimmer gezogen und dürfen dort langfristig bleiben; etwas überdimensioniert für knapp 10 m² und sicher nicht optimal plaziert, aber das funktioniert trotzdem erstaunlich gut:

[ATTACH=CONFIG]65000[/ATTACH]

Viele Grüße
Peter

P.S.: Der versuchsweise nach hinten strahlende Monacor HT ist wieder abgeklemmt und hat jetzt nur noch die Funktion das Loch abzudichten, was für ihn reingefräst wurde; frei aufgestellt ergibt sich eine etwas tiefere Bühne und etwas mehr "Luftigkeit" mit ihm. Sobald die Boxen näher an einer Wand stehen wird's aber komisch diffus-zischelig....

P.P.S: so schaut die aktuelle Filterung aus (Messdaten ohne 2. Bass, mit "Flügelchen"):

[ATTACH=CONFIG]65004[/ATTACH]




Die -6dB und der Linkwitzfiter vor dem TT-Zweig sind die Anpassung von BR auf CB mit zweitem Bass.

Die -0.7 dB bei 1kHz vor dem MT sind optional für den Betrieb ohne "Flügelchen" auf einem Preset, da gibts zumindest nach einer alten Messung von mir sonst eine leichte Überhöhung in dem Bereich:


[ATTACH=CONFIG]65005[/ATTACH]



P.P.P.S Rolleyes: Hier noch das horizontale Abstrahlen mit alten Messungen ohne Aluprofile, mit -0,7dB@1kHz:


[ATTACH=CONFIG]65012[/ATTACH][ATTACH=CONFIG]65013[/ATTACH]

Nicht wirklich schlecht, aber unter Winkel zerklüfterer...


Angehängte Dateien Thumbnail(s)
                   
"Science is about what is, Engineering is about what can be"
Neil Armstrong
Zitieren

#10
So, wahrscheinlich mache ich im Herbst ein neues Kapitel auf... SmileRolleyes

[ATTACH=CONFIG]66910[/ATTACH]


Vorlage:
[ATTACH=CONFIG]66911[/ATTACH]

P.S.: Ich suche noch ein STEP-File vom Seas DXT, falls jemand da was fertig hat.... Rolleyes

Danke und Grüße
Peter


Angehängte Dateien Thumbnail(s)
       
"Science is about what is, Engineering is about what can be"
Neil Armstrong
Zitieren

#11
So, mittlerweile bin ich wohl bei Revision ~ca. MkVIII angekommen:

[ATTACH=CONFIG]70747[/ATTACH]

Ich habe dem Seas TAC/GB nochmal eine Chance gegeben, und bin bisher nicht enttäuscht. Der HT ist anders als der DXT, aber exzellent und eine dicke Empfehlung wert.

MT und TTs haben Zusatzmagnete angeklebt bekommen, um Qes bzw. Qts zu senken (bei den Bässen) und das Magnetfeld zu kräftigen.
Für den MT:
[ATTACH=CONFIG]70732[/ATTACH]

Für den TT:
[ATTACH=CONFIG]70733[/ATTACH]

Auswirkung auf den Antriebsfaktor:
[ATTACH=CONFIG]70734[/ATTACH]


HT und MT wurden jeweils mit einem Sperrkreis auf die Membranaufbruchsresonanz beschaltet, um die Anregung Dieser durch harmonische im Strom zu unterdrücken.
Hier beim HT:
[ATTACH=CONFIG]70735[/ATTACH]

Impulsantwort (mit Sperrkreis = rot, ohne = grün):
[ATTACH=CONFIG]70736[/ATTACH]


Im Farina-Sweep ist die Auswirkung bei 6~7kHz K4 zu erahnen (100dB @ 30cm), die Messkette ist für Klirrmessungen aber nicht so gut geeignet, der hohe K2 z.B. kommt vom Mikro...
Ohne:
[ATTACH=CONFIG]70737[/ATTACH]

Mit:
[ATTACH=CONFIG]70738[/ATTACH]



Die LS habe ich inkl. neuem HT, Magneten, Sperrkreise im Garten auf einem Stativ mit Drehteller in 2 Meter Entfernung unter +/- 60° horizontal und +/-40° vertikal vermessen. Die gegateten Achsfrequenzgänge der TT und MT sind mit Nahfeldmessungen gefügt.

Hier die Abstimmung in VituixCAD:
[ATTACH=CONFIG]70739[/ATTACH]
[ATTACH=CONFIG]70741[/ATTACH]
[ATTACH=CONFIG]70740[/ATTACH]


Power Response der Winkelfrequenzgänge hor +/-60° (gestrichelt), ver +/-40° (gestrichelt), und hor+ver zusammen (durchgezogen):
[ATTACH=CONFIG]70742[/ATTACH]


In Room Response nach CTA-2034-Gewichtung der vermessenen Winkelfrequenzgänge hor+ver (gestrichelt), und nur hor +/-60° (durchgezogen):
[ATTACH=CONFIG]70743[/ATTACH]

Direktivitätsindex der vermessenen Winkelfrequenzgänge nur hor +/-60° (gestrichelt) und hor+ver (durchgezogen):
[ATTACH=CONFIG]70746[/ATTACH]


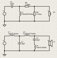
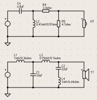
Hier die ganze Befilterung:
[ATTACH=CONFIG]70744[/ATTACH]


Das Ganz klingt tonal erstaulich "richtig" und dabei sehr souverän - aber die herausragenste Eigenschaft ist eine "Nebengeräuschfreiheit", die es erlaubt feinste Details auch in komplexem Programm bei beachtlichem Pegel zu differenzieren, was in einer äußerst stabilen, losgelösten und selbstverständlichen Projektion resultiert. Dabei nervt und zischelt überhaupt nix und es klingt sehr "rund". Die LS funktionieren auch in meinem 11m² Arbeitszimmer (an ihrem "Stammplatz" als meine Referenz) mit -0,5dB für die TT erstaunlich gut, ich bin wirklich happy mit der aktuellen Ausbaustufe.

Mal schauen was noch kommt, aber mehr als schönere Tente-Büromöbelrollen in Schwarz drunter zu schrauben und evtl. das Plexiglasplättchen vom Hypex-IR-Empfänger noch einzufräsen fällt mir aktuell nix mehr ein...


Angehängte Dateien Thumbnail(s)
                       
                   
               
"Science is about what is, Engineering is about what can be"
Neil Armstrong
Zitieren

#12
Hallo Peter,

danke für die Präsentation und Dokumentation deiner LS. :prost:

VG
Michael
Zitieren

#13
Vielen Dank für diese tolle Doku auch von mir, da kann man sich ja mal echt viel abgucken. Smile

Zwei Fragen hätte ich:

Du sprichst von K2-Verzerrungen des Mikros. Was ist das denn für eins?

Du hast diesen nicht gerade zierlichen Lautsprecher ja auch vertikal vermessen. Wie hast du das praktisch durchgeführt?

Viele Grüße,
Michael
Zitieren

#14
Azrael schrieb:Du hast diesen nicht gerade zierlichen Lautsprecher ja auch vertikal vermessen. Wie hast du das praktisch durchgeführt?

Das würde mich auch sehr interessieren Smile
Grüße
Simon
Zitieren

#15
Hi zusammen,

ich habe leider kein Bild mit den Scandis, hier sieht man aber den grundsätzlichen Messaufbau mit anderen LS:

[Bild: attachment.php?attachmentid=65902&d=1650407609]

[Bild: attachment.php?attachmentid=65903&d=1650407668]

Naja, auf diesen Drehteller habe ich den LS einfach mittig quer draufgepackt und in Nullstellung mit dem Mikro wieder im Abstand von 2 m zwischen HT und MT gezielt.

Beim Drehen bekommt man dann natürlich Winkel- und Abstands-/Pegelfehler. Je weiter weg das Mikro, desto weniger.
Deshalb höre ich auch bei +/-40 Grad - was grob überschlagen dann eher > +/-50° zum Mikro sind - auf....
Die Pegelfehler mitteln sich in der Power Response tendenziell raus, da sich z.B. der Mitteltöner in der einen Richtung beim Drehen weiter entfernt, dafür in die andere Richtung näher kommt.

Geht sicher alles besser. Ich komme aber mit den Ergebnissen bisher gut klar.

Viele Grüße
Peter
"Science is about what is, Engineering is about what can be"
Neil Armstrong
Zitieren



Möglicherweise verwandte Themen…
Thema Verfasser Antworten Ansichten Letzter Beitrag
  Edelstoff MkIII | Seas 27TBCD/GB-DXT | SB Acoustics SB15NBAC30-4 kwesi 79 32.249 30.12.2023, 15:22
Letzter Beitrag: Sathim
  Scandinavian Connection MkIII - Eine Dreiwege-Standbox mit ScanSpeak-Treibern kwesi 20 15.502 16.07.2019, 11:31
Letzter Beitrag: Sathim
  Konzeptüberlegungen Scandinavian Connection Mk III kwesi 17 11.842 19.09.2014, 08:36
Letzter Beitrag: fosti

Gehe zu:


Benutzer, die gerade dieses Thema anschauen:
1 Gast/Gäste

Deutsche Übersetzung: MyBB.de, Powered by MyBB, © 2002-2026 Melroy van den Berg.