Hallo zusammen,
anbei eine Kurzdoku meiner neuen Lautsprecher "Scandinavian Connection MK III"
Link Mk I: http://www.hifi-forum.de/viewthread-104-9770.html
Link Mk II: http://www.hifi-forum.de/viewthread-267-439.html
1) Eckdaten:
3-Wege-System, Bassreflex
25mm HT Gewebemembran, Titanschwingspulenträger, Kupferkappe
15cm MT Glasfasermembran NRSC, Titanschwingspulenträger, Kurzschlussring & Kupferkappe
25cm TT Aluminium, Low Loss, Kurzschlussring, +/- 6mm Linearhub
Abmaße: H 92 cm x B 30 cm x T 36 cm
Trennfrequenzen ca. 270Hz / 2 kHz
Kennschalldruck: ca. 88dB/2,83V
Impedanz: 4 - 8 Ohm
2) Bestückung:
- Hochtöner: ScanSpeak Discovery D2604/8320-02 Limited Edition
https://www.madisoundspeakerstore.com/pd...dition.pdf
- Mitteltöner: ScanSpeak Discovery 15W/4524T-02 Limited Edition
https://www.madisoundspeakerstore.com/pd...dition.pdf
- Tieftöner: ScanSpeak Discovery 26W/8534G00
http://www.scan-speak.dk/datasheet/pdf/26w-8534g00.pdf
3) Gehäusekonstruktion
- Merkmale
Material Birkenmultipex 18mm, alles auf Gehrung, Oberfläche Clou Hartwachsöl
Gehäuse Bass 67 Liter, Bassreflexabstimmung auf ca. 30 Hz, Rohr D70 x L110
Gehäuse Mitteltöner ca. 6 Liter in 160er HT-Rohr
Mitteltöner mit O-Ringen NBR 70 vom Gehäuse entkoppelt
Innenverkabelung Sommer Cable 2x1,5 mm², Anschluss Speakon 4-Pol
Viertelwellen-Rohrresonator zur Absorption der Längst-Stehwelle
Alles umfangreich bedämpft mit BASF Basotec
- Gesamtaufbau
- Schallwand
- Bilder vom Zusammenbau
Der Zuschnitt wurde nicht ganz billig, aber qualitativ hervorragend und zu meiner vollsten Zufriedenheit von Schreinerei Thomaier angefertigt
4) Messungen unbeschaltet in Gehäuse 0°, +30°, -30°
- Hochtöner
- Mitteltöner
- Tieftöner
5) Systemauslegung / Simulation in Tolvan Basta, TSP-basiert:
- Bass unbeschaltet in unendlicher Schallwand
- Schallwandsimulation
- Bass unbeschaltet mit Schallwandeinfluss
- Bass beschaltet mit Tiefpass, mit Schallwandeinfluss
- Resultierende Gruppenlaufzeit, Gesamtsystem
- Filterauslegung (Beschaltet, Schallwandsimulation, Gehäusesimulation)
- Siumulation Summe (Beschaltet, Schallwandsimulation, Gehäusesimulation)
- Maximalpegel / Treiber
Gut zu erkennen ist, dass 1. die Elektrische/Thermische Belastbarkeit der 25mm-Schwingspule des MTs und 2. sowohl der Membranhub des TTs als auch die Luftgeschwindigkeit im Port zuerst limitieren
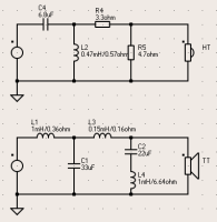
6) Weichenauslegung, Messdatenbasiert
- Netzwerk Frequenzweiche
Das gleiche Netzwerk wird auch in der Basta-Simulation verwendet.
- FW-Komponenten:
TT-Spule: Tschenscher Audio I-Kern Spule
Alle anderen Spulen: Jantzen Backlack Luftspulen
HT-Kondensatoren: Mundorf Evo/Öl
Alle anderen Kondensatoren: Jantzen Cross Cap
- Datensatz gemessen im Garten auf Stativ, Messabstand ca. 1,8m, Mikrofon kalibriert/kompensiert, Absolutpegel unkalibriert
- Gate, keine Glättung (mit / ohne Einzeltreiber 0° sowie 15° & 30° jew. zu beiden Seiten)
- Filterung TT / MT (Messungen Nahfeld & Fernfeld zusammengesetzt)
- Impedanzgang
- Filterung elektrisch
********folgt noch*******
7) Weitere Betrachtungen
- Stehwellen im Gehäuse
- Strukturresonanzen
- Treiberanordnung / Geometrien
- Bassabstimmung
8) Kritik
- Treiber, Treiberauswahl
- Abstrahlverhalten, Gesamtkonzept
- Lessons Learned
- "Klangbeschreibung"
********folgt noch*******
Viele Grüße
Peter
"Science is about what is, Engineering is about what can be"
Neil Armstrong
Neil Armstrong


:denk: 

![[Bild: fertig_15oz.jpg]](http://www.abload.de/img/fertig_15oz.jpg)

