Themabewertung:
  • 0 Bewertung(en) - 0 im Durchschnitt
  • 1
  • 2
  • 3
  • 4
  • 5
10" PA Treiber im TQWT Projekt
1,5 mH bildet mit dem 4,7 uF den Tiefpass, der Rest ist der Hochpass. Ich nehme an, dass Du mit dem vorgeschalteten 82uF, der eigentlich zum Hochpass gehört, eine Wechselwirkung erzielst.
Ähnlich die HT-Beschaltung, die erst den Spannungsteiler und dann den Filter aufweist. Das muss nicht "falsch" sein, sieht aber für mich erstmal "ungewöhnlich" aus.
Hast Du 'mal die Gesamtimpedanz gemessen ?

Edit - was Du auch versuchen kannst, ist eine Impedanzlinearisierung für den BG20. Damit wirken die Filter stärker, weil sie eine nahezu frequenzunabhängige Last "sehen".
Es ist einfacher die Leute zu täuschen,
als sie davon zu überzeugen,
dass sie getäuscht wurden. (Mark Twain)

Audioviele Grüße,
Matthias
Zitieren

Don Key schrieb:Ähnlich die HT-Beschaltung, die erst den Spannungsteiler und dann den Filter aufweist.

Das heißt, am Spannungsteiler liegt der ungefilterte Verstärkerausgang? Halte ich jetzt für keine so gute Idee. Erstens wird der Spannungsteiler durch alle Frequenzanteile belastet und nicht nur durch den Hochton, zweitens zieht er die Gesamtimpedanz runter.
Zitieren

@"Cossart"
Wenn Du in "saddevil"s post #98 ganz unten auf den "Anhang58987" klickst, siehst Du seine Weiche.
Es ist einfacher die Leute zu täuschen,
als sie davon zu überzeugen,
dass sie getäuscht wurden. (Mark Twain)

Audioviele Grüße,
Matthias
Zitieren

Don Key schrieb:Wenn Du in "saddevil"s post #98 ganz unten auf den "Anhang58987" klickst, siehst Du…

… das:

[ATTACH=CONFIG]58988[/ATTACH]

Sorry für's Quotemardern…


Angehängte Dateien Thumbnail(s)
   
Zitieren

Uuuups, bei mir (Android - Firefox) geht's.

@"saddevil", die 4,4 mH Spule vor die 1,5er anstatt dahinter und den Spannungsteiler beim HT hinter den (das) Filter anstatt davor.

Und bei allen "Filtereien" - immer die Gesamtimpedanz im Auge haben.
Es ist einfacher die Leute zu täuschen,
als sie davon zu überzeugen,
dass sie getäuscht wurden. (Mark Twain)

Audioviele Grüße,
Matthias
Zitieren

Funktioniert hier mit keinem Browser unter keinem hier verfügbaren Betriebssystem (Windows, Android, iOS). Ich gehe davon aus, daß der traurige Teufel den Anhang in der Zwischenzeit gelöscht hat und bei Dir nur der Inhalt des Browsercaches angezeigt wird.
Zitieren

Don Key schrieb:Uuuups, bei mir (Android - Firefox) geht's.

@"saddevil", die 4,4 mH Spule vor die 1,5er anstatt dahinter und den Spannungsteiler beim HT hinter den (das) Filter anstatt davor.

Und bei allen "Filtereien" - immer die Gesamtimpedanz im Auge haben.

jap .. mach ich nacher noch .. hab das verpeilt
werde dann auch 18dB mal testen ..ggf etwas tiefer versuchen


Cossart schrieb:Funktioniert hier mit keinem Browser unter keinem hier verfügbaren Betriebssystem (Windows, Android, iOS). Ich gehe davon aus, daß der traurige Teufel den Anhang in der Zwischenzeit gelöscht hat und bei Dir nur der Inhalt des Browsercaches angezeigt wird.


nein eigentlich nicht... habs nochmal neu hochgeladen.
Zitieren

Jetzt isser auch da. Schalte den Spannungsteiler bitte vor den Hochtöner, sonst kriegter die gesamte Verstärkerleistung ab.
Zitieren

ist soweit alles korrigiert
hab durch die ganze klemmkagge mich vermacht daher manchmal diese kuriosen konstrukte

update kommt gleich
wird interessant ...

EDIT:

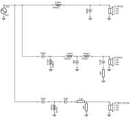
weiche geändert :
[ATTACH=CONFIG]59003[/ATTACH]


Hocvhtöner nun vorher/Nacher
[ATTACH=CONFIG]59004[/ATTACH]


der BG20 :
[ATTACH=CONFIG]59005[/ATTACH]

das TOP teil:
[ATTACH=CONFIG]59006[/ATTACH]


BG20 - BP passt noch nicht.
[ATTACH=CONFIG]59007[/ATTACH]

Da muss ich vlt ne andere ecke suchen.


im hochton konnte ich 2 große noppenschalummatten im raum so platzieren das der schlenker weg ist


Angehängte Dateien Thumbnail(s)
                   
Zitieren

Na, aber hallo, da haste doch 'n ziemlichen Sprung gemacht. Smile

Mach auch mal Winkelmessungen und denk an die Impedanz !
Es ist einfacher die Leute zu täuschen,
als sie davon zu überzeugen,
dass sie getäuscht wurden. (Mark Twain)

Audioviele Grüße,
Matthias
Zitieren

saddevil, Deine Messungen in #109 sehen für mich so aus als hättest Du ungefenstert gemessen ?

Wenn das so ist - ist es teilweise schwierig zwischen Reflektionen aus dem Raum und "Verhalten" der Chassis zu unterscheiden.
Das kann zu Fehleinschätzungen, besonders bei der korrekten Addition der Zweige, führen.Smile

Grüße
Gruß Karsten

Wenn die Menschen nur über das sprächen, was sie begreifen, dann würde es sehr still auf der Welt sein.
Zitieren

hi

der witz ist ... je nach aufnahme hat man trotz MONO ( hab momentan nur eine quick and dirty zusammengebaut)
klingt das schon sehr schön "raumlich"
positionen scheinen tiefer als die Box selbst

die 18dB version klingt SEHR ohrenschmeichelnd
keine spur von PA .. zumindest bis man gewisse pegel erreicht Rolleyes

Ich hab nur das problem das mein china AMP ( class D ) etwas rauscht und man das hört

der Legend BP102 geht gut tief ..


4711Catweasle schrieb:saddevil, Deine Messungen in #109 sehen für mich so aus als hättest Du ungefenstert gemessen ?

Wenn das so ist - ist es teilweise schwierig zwischen Reflektionen aus dem Raum und "Verhalten" der Chassis zu unterscheiden.
Das kann zu Fehleinschätzungen, besonders bei der korrekten Addition der Zweige, führen.Smile

Grüße

ja... leider ist das fast schon das optimum in dem kleinen raum ( Wintergarten )

die neue soundkarte ist ja unterwegs..
dann schieb ich das mal ins wohnzimmer rüber und mess dort mal
Zitieren

Hallo Saddevil,

na das wird doch. Smile Winkelmessungen würden mich auch interessieren und dich sicher noch einen Schritt weiter bringen.

Was Catweasle meint ist, dass du die Sprungantwort deiner Messung so definieren solltest, dass Raumeinflüsse nicht mehr zu sehen sind. (Also den Rattenschwanz der Sprungantwort „abzuschneiden“. )

Grüsse
Christian
Zitieren

ich weiß ..
habe das aber noch nie wirklich gut hinbekommen...

wem kann ich das rew file mal schicken ? Big Grin
Zitieren

Könnte man das REW-File nicht hier anhängen, vielleicht, indem man es in ein ZIP-File verpackt? Dann könnten alle mal gucken. Smile

Viele Grüße,
Michael
Zitieren

ich schau mal

aktuell hab ich gerade andere Probleme..

2 Katzen streiten sich gerade darum wer als erste in den Schacht klettern darf :eek:
Zitieren

heute wieder etwas experimentiert
vorhänge zugezogen .. decken ausgelegt ..

und die box mal gedreht
Ich habe jetzt nicht einen winkelnmesser genommen und in 100% genauen Schritten gedreht
das wäre quasi 90° ...

Es sollte für mich eine schnelle messung werden um die tendenz zu erkennen.
[ATTACH=CONFIG]59026[/ATTACH]

Dann habe ich noch einige Weichenbauteile geringfügig geändert ...
Das bedarf etwas zeit zum hören
Bin aber der Meinung das es im Übergang etwas besser passt ..

hier war nur etwas anpassung der Imp. korrektur(5,6µF statt 4,7µF) des BG und der 2te kondensator( 8,2µf statt 10µF) der hochtonweiche nötig


Angehängte Dateien Thumbnail(s)
   
Zitieren

[ATTACH=CONFIG]59046[/ATTACH]

Freihand mit dem Hobel...
Ist eine fusselarbeit ..

Es wird langsam.
Soll noch etwas stärker werden.

dann habe ich mal versucht die impedanzen zu messen
HT
[ATTACH=CONFIG]59049[/ATTACH]

BG20
[ATTACH=CONFIG]59048[/ATTACH]

BP102
[ATTACH=CONFIG]59047[/ATTACH]


Angehängte Dateien Thumbnail(s)
               
Zitieren

[ATTACH=CONFIG]59058[/ATTACH][ATTACH=CONFIG]59059[/ATTACH][ATTACH=CONFIG]59057[/ATTACH]

Habe die Fasen etwas größer gemacht .

finde das optisch schon ganz passend


Angehängte Dateien Thumbnail(s)
           
Zitieren

saddevil schrieb:HT
[ATTACH=CONFIG]59049[/ATTACH]
Da kann man mal sehen, warum man ein Bändchen eigentlich immer mit einem Hochpasskondensator betreiben sollte......:eek:

Nachdem die Impedanzgänge des HTs und des TTs ja plausibel wirken, sieht der des BG20 etwas seltsam aus.

Viele Grüße,
Michael
Zitieren



Möglicherweise verwandte Themen…
Thema Verfasser Antworten Ansichten Letzter Beitrag
  Klon Projekt: TAD TSM2 / Pioneer Exclusive 2402 josh_cpct 111 53.160 30.08.2025, 20:54
Letzter Beitrag: Franky
  Projekt DynaLigth-MK2 2024 , Open Baffle, 2,5 Wege , Dynavox Chassis Olaf_HH 0 5.889 19.08.2024, 16:27
Letzter Beitrag: Olaf_HH
  Die Phönix - ein Recycling Projekt 4711Catweasle 4 3.956 24.06.2024, 22:51
Letzter Beitrag: Gaga
  Projekt TRIAX Franky 82 29.082 05.12.2023, 19:28
Letzter Beitrag: Franky
  Projekt White Wedding 4711Catweasle 172 42.079 13.02.2023, 16:37
Letzter Beitrag: 4711Catweasle
  Projekt 4 / 8 / 16 Resteverwertung gestartet oggy 19 5.548 14.01.2023, 18:30
Letzter Beitrag: kwesi
  Kazootröt Koax, ein FFE 2022 openbaffle-Projekt dy1026u 2 2.606 28.09.2022, 17:57
Letzter Beitrag: dy1026u
  JBL 4627,5 - Zweiweger mit JBL 2344 Horn, BMS 4550 Treiber und Beyma 12WR400 TMT Koaxfan 24 6.362 10.04.2022, 08:31
Letzter Beitrag: fosti
  Erstes Projekt: Bestandsoptimierung Sauna buyman 33 7.652 22.01.2022, 16:20
Letzter Beitrag: Koaxfan
  Projekt NEO | Bliesma T34A-4 | 18Sound 8NMB420 | FailtalPro 18FH500 | Hypex FA503 kwesi 86 38.368 03.12.2021, 13:34
Letzter Beitrag: Micha_HK

Gehe zu:


Benutzer, die gerade dieses Thema anschauen:
2 Gast/Gäste

Deutsche Übersetzung: MyBB.de, Powered by MyBB, © 2002-2026 Melroy van den Berg.