Themabewertung:
  • 0 Bewertung(en) - 0 im Durchschnitt
  • 1
  • 2
  • 3
  • 4
  • 5
Newbee-Fragen zum Weichenaufbau - UND- Weichenbauteile im Ruhrgebiet kaufen?
#1
Uhhh, wie ging gleich das berühmte Zitat?
"Ich merk` dass ich nichts weiß?"
So ähnlich, richtig?
Mir gehts ähnlich. Ich dachte, nur eine Weiche nachnem Plan zusammenfummeln wird schon irgendwie gehen. Pustekuchen - ich hätte da durchaus ein paar Fragen zu nem Nachbau aus der K&T.
Aber ganz zu Beginn: Mir fehlt eine Spule - gibts ne Chance die im Ruhrgebiet irgendwo zu kaufen oder ist das immer Onlineeinkauf?
0,7 mm Luftspule, 0,56 mH/0,55 Ohm

Bei der anderen Spule habe ich zwar eine 0,47mH bekommen, allerdings mit 0,58 Ohm anstatt - wie vorgesehen - 0,5 Ohm - ist das kompatibel oder problematisch?

Grüße
Ralf
Zitieren

#2
Hi
zum Ruhrgebiet kann ich hier nix schreiben.
Bei der Weiche ist bei einer Spule der Wert der Induktivität schon wichtig.
Wenn die Induktivität stimmt, dann sollte der R auch stimmen, bei dem sind geringe Abweichungen, sagen wir mal so, nicht ganz so schlimm.
Der Entwickler hat sich da schon was bei gedacht. Kommt auch drauf an, ob die Spule in Reihe oder in einem Parallel Zweig der Weiche ist.
Aber, der mH Wert sollte schon stimmen.
In Hamburg sagt man, Moin , LG Olaf_HH
Zitieren

#3
Hi!
Ach, ich hatte einfach gehofft den LS noch möglichst bald die ersten Töne zu entlocken, das hat sich nun aber erstmal erledigt, ich muss dann jetzt erstmal bestellen und abwarten.
Bestellen ist aber mal schon nicht so einfach.

Folgendes:
In der Bauanleitung in der K&T 4/16 stehen die Luftspulen jeweils nur mit Drahtdicke und mH Angebabe benannt.
Strassacker gibt dann aber in ihrer "unser Bausatz besteht aus"-Beschreibung zusätzlich einen Ohm-Wert an.
Dieser Ohm Wert wird aber vorher in der K&T nicht benannt - er ist also dem Entwicker des LS eigentlich egal, oder?
Wenn Strassacker nun eine Luftspule mit 0,47mH/0,50Ohm/0,7mm verschicken würde, ich aber einen 0,47mH/0,58Ohm/0,7mm gekauft habe, könnte der genauso gut funktionieren, richtig?

Die nächste Luftspule ist bei K&T 0,56mH/0,7mm Draht bezeichnet - Luftspule oder Backlack, ist das egal. Bei meinem gestrigen Kauf habe ich eine Mundorf BL71 bekommen - obwohl auf der Einkaufsliste Luftspule stand.
Auch hier ist es wieder so, dass der Ohm-Wert den ich bei meinen Suchen finde anders ist ((0,64 Ohm) als der Wert in der Strassacker Bausatzliste (0,55Ohm)

Was meint ihr?
Grüße
Ralf
Zitieren

#4
Hallo Ralf,
grundsätzlich gilt, es wird nichts so heiß gegessen, wie es gekocht wird.
Wichtiger ist, dass die Teile in beiden Boxen möglichst identisch sind.
Ja, Elektronik- oder HiFi-Bausatzgeschäfte, die solche Teile führen werden immer seltener.
Als ich vor 40 jahren dort lebte, gab es in BO und DO fast an jeder EckeWink einen Bausatzladen.
Wo sie sind solllte man sie durch Käufe unterstützen.
Ansonsten hilft wirklich nur das www.
Ich kaufe gerne bei https://audio-tschentscher.de/ ,
die Spulen stellt er selbst her, absolute Qualität.
Jrooß Kalle
Zitieren

#5
hat nicht Udo Wohlgemuth einen Shop in Bochum ?
In Hamburg sagt man, Moin , LG Olaf_HH
Zitieren

#6
Nöh, nur noch www.

https://acoustic-design-online.de/de/
Zitieren

#7
Hi!
Bochum war mir gestern auch eingefallen, habe aber im Onlineshop nur Bausätze gefunden, keine Bauteile. Evtl. lag es aber an meinem Ungeduldsmodus gestern. Ich habe jetzt alles mal bei Strassacker geordert - und das Hörenwollen auf nächste Woche verschoben.

So, ich versuch mal meine Aufbaufragen zu erklären. (Ich habe versucht das Weichenschema so gut es geht copyrightmässig unschädlich zu machen)

1) In welcher Reihenfolge müssen die Bauteile zusammengesetzt werden?

[ATTACH=CONFIG]68938[/ATTACH]
Links kommt das Signal vom Autotrafo und trifft dann auf 3 parallel geschaltete Bauteile.
Ist es wichtig dass die Verbindung zuerst auf den L2 trifft oder hätte die Zeichnung es genauso gut auf den R1 treffen lassen können? Und ergänzend dazu: Ist es wichtig dass das Signal vom C3 aus weitergeführt wird - oder hätte auch hier die Zeichnung wiederum bei einem anderen Bauteil, bspw. dem L2 ansetzen können?
- ich hoffe das ist verständlich -

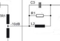
2) Es ist ein Autotrafo verbaut (oben im Bild schon links unter TR1 zu sehen) - die Frage ist, wie wird er angeschlossen?
[ATTACH=CONFIG]68939[/ATTACH]
Auf dem Trafo selber steht beschriftet:
Input: ws-bn
Der geforderte Abgriff (-10dB) ist benannt: ws-rt

Wird dann Weiss an +
Braun an - gelegt und der rote Abgriff zum Lautsprecher geführt?

Urks, ich bin ja völlig fachfremd - gibt es denn eine empfehlenswerte Möglichkeit sich mal mit dem Grundsätzlichen vertraut zu machen und die Grundzüge zu verstehen? Wenn ich Begriffe wie Impedanz google, dann macht mich das nicht unbedingt klüger...

Grüße
Ralf


Angehängte Dateien Thumbnail(s)
       
Zitieren

#8
Hi, bei einer Parallelschaltung ist die Lage der Bauteile egal.
In Hamburg sagt man, Moin , LG Olaf_HH
Zitieren

#9
Hi Ralf,
anbei ein Bild meiner Weiche der Ephedra von unten.
Da findest du die Farben der Anschlüsse.
[ATTACH=CONFIG]68942[/ATTACH]

und mit dem Bild von Oben siehst du dann die Bauteile und vor allem die Farben der Anschlussdrähte vom Autotrafo.
[ATTACH=CONFIG]68943[/ATTACH]
Ich habe die Anschlüsse des Autotrafos auf Buchsen gelegt, um hier mal etwas variieren zu können.
Aber Vorsicht, beim Umstecken änderst du nicht nur den Pegel, sondern auch die Übergangsfrequenz, da das Netzwerk mit dem Kondensator nun eine andere Impedanz "sieht"

Beste Grüße
Klaus


Angehängte Dateien Thumbnail(s)
       
Zitieren

#10
Hi Ralf,
noch was, wenn du die Spulen mit Schrauben befestigst, achte darauf, dass sie nicht magnetisch sind, sonst änderst du ziemlich sicher die Induktivität.
Ciao
Klaus
Zitieren

#11
Super, vielen Dank!!
Zitieren

#12
Es spielt die ersten Töne Smile
Der Hochtonzweig ist noch nicht komplett, ist nur das Glied das das parallel zum HT liegt eingebaut. Der Hochtöner ist gut zu laut.
Aber: Geil Smile
Passt gut in mein kleines Zimmer.
Super
Zitieren

#13
Haha!
Meine Freundin fragte: Sag mal, warum stelltst du die Lautsprecher nicht ins Wohnzimmer Smile))
Zitieren

#14
Moin,
ohne Kondensator vor dem Hochtöner schickst du ihn gerade in die ewigen JagdgründeSad

Jrooß
Zitieren

#15
Ich versuche das mal recht einfach zu erklären..Eine Frequenzweiche teilt die Frequenzen auf. Das ist daher notwendig, damit die Lautsprecher ihre zugeteilte Frequenz abgeben können. Einem Bass ist es herzlich egal, wenn er auch hohe Töne bekommt, kann er nicht gut, bedingt durch seine Aufhängung, ist ihm wurscht...Ein Hochtöner ist aber straff aufgehangen. Bekommt der Bass ab, wird er versuchen den auch wierderzugeben, kann er aber nicht...meist verschmirgelt die Spule und das wars. Ein HT sollte daher vor Frequenzen und Leistungen, die er nicht kann, geschützt werden. Daher bekommt ein HT einen Kondensator und auch einen Serienwiderstand.
Daher besorg Dir erstmal alle Bauteile...Wink
Hier wird nix gewußt...
Zitieren

#16
Uhhhh...
Kurzer Funktionstest, produzieren zumindest noch Töne. Ich hoffe, Glück gehabt...
Zitieren

#17
Hallo Ralf,
zu den Weichenbauteilen: Versuch es doch mal bei Speaker Heaven in Duisburg.
Telefon: +49 203-24711
Mobil +49 177-5023504.

War der 1,5 µF Kondensator für den HT nicht mit bei den Bauteilen dabei?

Grüße
rolf


Zitieren

#18
Doch, der 1,5 µF war dabei - es fehlt mir die Spule L2.

Ein wenig irririert war ich auch über die Angabe im Basszweig dort ist C1 in der Zeichnung anders bewertet als in der danebenstehenden Bestückungsliste. Einmal heißt es 39µF, einmal steht dort 33µF

Duisburg wäre mir zu weit, aber mittlerweile ist eh alles bestellt
Zitieren

#19
Hallo Ralf,
die Kondensator-Verwirrung ist der schlechten End-Redaktion bei K&T geschuldet - wie so oft.
Im Text für die 2016-Version steht, dass die einzige Änderung zur früheren Version die Verkleinerung des 39µF auf jetzt 33µF ist. Du benötigst also einen 33µF Kondensator.

Grüße
rolf
Zitieren

#20
So, die Weichenteile sind angekommen, jetzt passts.
Bin bei der Bestellung wohl in der Reihe verrutscht, habe für die Impedanzkorrektur jetzt einen 20W Widerstand, das sollte aber nichts machen, oder?

Konkrete Fragen:
a) Ich sehe das richtig dass der Hochtöner verpolt angeschlossen wird?
b) Wie ist der Anschluß am Hochtöner selbst gekennzeichnet? Ein Pol ist mit einem roten Lackstift makiert, sieht zwar wie ein - aus, ist aber (weil gekennzeichnet) Plus?
c) Zum Autoformer: Aufgrund der Beschriftung "Input 8 Ohm ws/bn" hätte ich gedacht Weiss geht an Plus, Braun an Minus. Ist aber anders herum, richtig? Warum?

Grüße
Ralf
Zitieren



Möglicherweise verwandte Themen…
Thema Verfasser Antworten Ansichten Letzter Beitrag
  Weichenbauteile Shop 3erbox 24 20.804 15.01.2022, 12:15
Letzter Beitrag: 3erbox
  Weiche - Spulenanordnung und generelle Anfänger-Fragen Sebastian81, 34 15.800 10.02.2021, 11:20
Letzter Beitrag: Sebastian81,
  Bruno Putzeys Grimm LS1 Weichenaufbau: Welche Vorteile? rapherent 23 21.689 14.10.2018, 18:49
Letzter Beitrag: Slaughthammer
  Frequenzweiche, Subsonic Fragen Berti 2 2.812 01.02.2017, 15:52
Letzter Beitrag: josh_cpct
  Fragen zur Nada Weichenbestückung gabreal80 7 4.312 24.09.2015, 12:42
Letzter Beitrag: ton-feile
  Fragen zur grundsätzlichen Weichenverkabelung (Anfänger) tunfaire 56 30.117 30.03.2015, 21:27
Letzter Beitrag: Gabrie
  Mini-DSP, ein paar Fragen... eltipo 10 5.064 30.01.2014, 22:07
Letzter Beitrag: Kleinhorn
  Sortimentkasten für Weichenbauteile uliguitar 0 2.825 28.05.2012, 11:24
Letzter Beitrag: uliguitar
  Weichenbauteile ohne Schaltplan...??? oggy 6 4.570 11.05.2012, 22:27
Letzter Beitrag: ton-feile
  Weichenbauteile Menhir Klone toemmel67 0 2.696 05.01.2011, 13:09
Letzter Beitrag: toemmel67

Gehe zu:


Benutzer, die gerade dieses Thema anschauen:
1 Gast/Gäste

Deutsche Übersetzung: MyBB.de, Powered by MyBB, © 2002-2026 Melroy van den Berg.