Themabewertung:
  • 0 Bewertung(en) - 0 im Durchschnitt
  • 1
  • 2
  • 3
  • 4
  • 5
Phono-Pre von Tubeland für Vintage MC-Tonabnehmer
#1
Hallo zusammen,

gerne nehmen wir den Ball auf und starten einen eigenen Thread zum Thema Phone-Pre, in diesem Fall von Tubeland.

Die technischen Daten für den Bausatz sind hier zu finden:

http://www.tubeland.de/product_info.php?products_id=79

Die Spannungsversorgung ist hier dargestellt:

https://www.tubeland.de/product_info.php...cts_id=271

Da der Aufbau ohne SMD-Bauteile auskommt, reicht eine Standard-Lötstation zum Aufbau aus.

Der Einbau erfolgt in einem Douk-Audio Case:


[ATTACH=CONFIG]75209[/ATTACH]

Einen HF-Schutz haben wir einfachst aufgebaut:

[ATTACH=CONFIG]75210[/ATTACH]

Viele Grüße aus Garbsen

E&M


Angehängte Dateien Thumbnail(s)
       
Machen ist wie Wollen – nur viel krasser

DIY Open Baffle auf www.octaaudio.de
Zitieren

#2
Moin
Interessantes Projekt, stelle mal meinen Klappstuhl mit auf.
Das Netzteil scheint auch Interessant zu sein.
Tipp, Franks Werkstatt der Lautsprecher Technik hat auf seinen YT Kanal das Thema Netzteil im Zuge seines VV näher betrachtet.
Vor allem ist er auf die Störabstände bzw Restwelligkeit eingegangen
In Hamburg sagt man, Moin , LG Olaf_HH
Zitieren

#3
Hallo zusammen,
bei der Tubeland-Phono
https://www.tubeland.de/product_info.php...cts_id=103
handelt es sich um eine Schaltung die ehemalig in der Elektor vergestellt wurde.
Bei Tubeland mit 2 Verstärkerstufen (Elektor 1), dafür wird bei Tubeland auf die parallelen Transistoren verzichtet.

Die Veröffentlichung war im Halbleiterheft 1982 unter dem Titel SUPRA.
Zum Beispiel hier zu finden: https://www.magnetofon.de/supra/

Für MM kann man auf die parallelen Transistoren verzichten, für MC könnte das schon kritisch sein (Rauschen), Das Dynavector ist aber ein relativ lautes MC.
Habe ich selber aber nie ausprobiert und auch die Schaltung habe ich nicht nachgebaut.

Auch das Netzteil mag ich nicht mit der vorgeschalteten Siebung per FET und den uralten 78xx / 79xx. (dürften Anfang der 70er auf den Markt gekommen sein)
Die 78er verhalten sich anders als die 79er, das konnte man damals noch nicht. (Und ich weiß auch nicht warum diese Oldies immer noch verbaut werden)
Schaut Euch die Datenblätter dazu selber mal an. Stichworte: Ripple rejection und Load regulation.
Da ist es besser zwei identische Netzteile zu nehmen und den +Ausgänge des zweiten Netzteils mit dem Masseanschluß des Ersten zu verbinden.
Oder LM317/337 wenn man einen Trafo mit Mittelanzapfung hat. Die Markeinführung dieser Oldies war 1976, sind aber schon deutlich besser als die 78/79.


Gruß
Thomas
Zitieren

#4
Danke Thomas für die Info!
Ich war schon in Versuchung und auch das Netzteil fand ich irritierend.
Den SUPRA als Transistorgrab hatte ich vor über 20Jahren auch mal....ein simples Teil mit nur einem NE5532 hat ihn damals abgeschossenWink.
Jrooß Kalle
Zitieren

#5
Kalle, dann hast Du was verkehrt gemacht. System passte nicht o Ä...
Der Supra war so schlecht nicht, brauchte aber zwingend einen Rumpelfilter.
Nachdem ich den eingebaut hatte, war der Supra nicht wieder zu erkennen. Allerdings war auch der damalige Netzteilvorschlag eine Katastrophe. Den (meinen) Bericht gibt es hier vermutlich noch...

Pedda
Hier wird nix gewußt...
Zitieren

#6
Na, mittlerweile gibt es ja den Supra ll. Explizit die Modifikation von Pedda. Bin sehr zufrieden damit. Kalle ich kann den mal zum hören mitbringen.
https://www.elektormagazine.de/magazine/...1606/29020
Gruß
Arnim

Ein rein verstandesmäßiges Weltbild ganz ohne Mystik ist ein Unding. Erwin Schrödinger.
Zitieren

#7
ThomasF schrieb:Hallo zusammen,
bei der Tubeland-Phono
https://www.tubeland.de/product_info.php...cts_id=103
handelt es sich um eine Schaltung die ehemalig in der Elektor vergestellt wurde.
Bei Tubeland mit 2 Verstärkerstufen (Elektor 1), dafür wird bei Tubeland auf die parallelen Transistoren verzichtet.

Die Veröffentlichung war im Halbleiterheft 1982 unter dem Titel SUPRA.
Zum Beispiel hier zu finden: https://www.magnetofon.de/supra/

Für MM kann man auf die parallelen Transistoren verzichten, für MC könnte das schon kritisch sein (Rauschen), Das Dynavector ist aber ein relativ lautes MC.
Habe ich selber aber nie ausprobiert und auch die Schaltung habe ich nicht nachgebaut.

Hi Thomas,
ganz so einfach ist das nicht (Supra-Schaltbild im Anhang).
Richtig, der Herr Tubeland hat sich die Schaltung sehr genau angesehen und sich den kompletten Entzerrer-Block ausgeliehen, die Schaltungstopologie differiert aber doch an ein paar Stellen. Hier kommen nämlich Operationsverstärker zum Einsatz, undzwar diskret aufgebaute. Die gibt's bei Tubeland auch einzeln, ohne das Phonogedöns: https://www.tubeland.de/product_info.php...cts_id=116
Beim Netzteil gebe ich dir recht, das geht besser.

Für 25 Euro kann ich sowas nicht selber machen, deshalb hab ich mit den Bausatz mal gegönnt. Gibt's demnächst auf den einschlägigen Vertanstaltungen zu hören (wenn's nicht totale Grütze sein sollte).


[ATTACH=CONFIG]75282[/ATTACH]


Angehängte Dateien Thumbnail(s)
   
Zitieren

#8
Moin,

Zitat:Auch das Netzteil mag ich nicht mit der vorgeschalteten Siebung per FET und den uralten 78xx / 79xx. (dürften Anfang der 70er auf den Markt gekommen sein)
Die 78er verhalten sich anders als die 79er, das konnte man damals noch nicht. (Und ich weiß auch nicht warum diese Oldies immer noch verbaut werden)
Schaut Euch die Datenblätter dazu selber mal an. Stichworte: Ripple rejection und Load regulation.
Da ist es besser zwei identische Netzteile zu nehmen und den +Ausgänge des zweiten Netzteils mit dem Masseanschluß des Ersten zu verbinden.
Oder LM317/337 wenn man einen Trafo mit Mittelanzapfung hat. Die Markeinführung dieser Oldies war 1976, sind aber schon deutlich besser als die 78/79.

Welches Netzteil oder welchen Netzteil-Bausatz würdet ihr denn für diesen Phono-Pre dann empfehlen?

Grüße,
Christoph
Zitieren

#9
Hallo,

das Netzteil, welches wir einsetzen werden ist von Funk Tonstudio:

https://funk-tonstudiotechnik.de/PWS-04B-T-02.jpg

Viele Grüße

Elke und Michael
Machen ist wie Wollen – nur viel krasser

DIY Open Baffle auf www.octaaudio.de
Zitieren

#10
Es geht auch etwas günstiger bei audiophonics, Ref. 12221 mit LM317/337 für 19.90. Ich habe mir mal was eigenes "geschnitzt", Sulzer-Borbely Superregulator aus Audio-Amateur in Kleinstserie ...
Gruß Klaus

Meinen tut der, der zum Wissen zu faul und zum Glauben zu schwach ist (Lisa Eckart)
Zitieren

#11
Hallo zusammen,

vielen Dank für eure Antworten.

Zitat:das Netzteil, welches wir einsetzen werden ist von Funk Tonstudio:

https://funk-tonstudiotechnik.de/PWS-04B-T-02.jpg

Funk spezifiziert das Ausgangsrauschen mit '...weniger als 12 µV (10 Hz..20 kHz eff.) ! Typ. < 10µV.'

Zitat:bei audiophonics, Ref. 12221 mit LM317/337


Das Datenblatt des LM317 sagt '...
Noise (µVrms) 38 und PSRR at 100 KHz (dB) 38'

Da ich mich mit der PSRR und dem Eigenrauschen von Netzteilen auskenne, diese aber bei Phono-Vorverstärkern vermmutlich kritisch sind: Wie sind diese Werte einzuordnen? Welche Werte wären 'ausreichend'?

Grüße,
Christoph

Zitieren

#12
Moin,

wenn ich den Schaltplan zur Tubeland Phono richtig verstehe, liegt hinter dem Regler noch ein Kapazitätsmultiplizierer
In Kombination mit 317 und ggf. lokaler Pufferung kann so ein Netzteil nach meiner Erfahrung schon ganz gut funktionieren.

Viele Grüße
PLATT REGEERT!
Zitieren

#13
Okay,
im Elektor Artikel stehts, es ist ein GyratorSmile
PLATT REGEERT!
Zitieren

#14
.:hb:. schrieb:Hi Thomas,
ganz so einfach ist das nicht (Supra-Schaltbild im Anhang).
Richtig, der Herr Tubeland hat sich die Schaltung sehr genau angesehen und sich den kompletten Entzerrer-Block ausgeliehen, die Schaltungstopologie differiert aber doch an ein paar Stellen. Hier kommen nämlich Operationsverstärker zum Einsatz, undzwar diskret aufgebaute. Die gibt's bei Tubeland auch einzeln, ohne das Phonogedöns: https://www.tubeland.de/product_info.php...cts_id=116
Beim Netzteil gebe ich dir recht, das geht besser.

Für 25 Euro kann ich sowas nicht selber machen, deshalb hab ich mit den Bausatz mal gegönnt. Gibt's demnächst auf den einschlägigen Vertanstaltungen zu hören (wenn's nicht totale Grütze sein sollte).


[ATTACH=CONFIG]75282[/ATTACH]

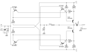
Sorry Holger,
hier mal ein paar schaltpläne die ich aus dem oberen erzeugt habe:
1.Nur noch 1 statt 4 parallel geschaltete Transistoren:
[ATTACH=CONFIG]75312[/ATTACH]
2. wie 1 ohne Spannungsstabilisierung + Gyrator:
[ATTACH=CONFIG]75313[/ATTACH]
3 wie 2 ohne RIAA:
[ATTACH=CONFIG]75314[/ATTACH]
4. wie 3 ohne Gegenkopplung:
[ATTACH=CONFIG]75315[/ATTACH]

Wenn man jetzt die fehlenden 47pf-Kondensatoren (wegen Schwingunterdrückung) und einen anderen Widerstandswert (22k zu 1k8) ausser acht läßt, dann sieht 4 wie der Schaltplan hier aus:
https://www.tubeland.de/product_info.php...cts_id=116

Schaltplan 2 findet man bis auf leicht geänderte Gegenkoppung (47µF + 180Ohm) und 1k8/22k hier:
https://www.tubeland.de/product_info.php?products_id=34

Schaltplan 3 hier in der ersten Stufe (also oben):
https://www.tubeland.de/product_info.php?products_id=79

Bei den Preiskann ich dir nur recht geben, das bekommt maximal bei Chinamann, man weiß aber nicht wie vile Fake dabei ist.
Auch die Leiterplatten zum selber bauen sind preiswert wie zb. diese hier:
https://www.tubeland.de/product_info.php...cts_id=202
(Leiterplatte für 2 * 2fach OP mit RIAA)

Netzteile habe ich bei tubeland nur mit den 78xx/79xx gefunden, die ich wie oben schon gesagt so verschaltet nicht benutzen würde.
Aber man kann sich das Netzteil
https://www.tubeland.de/product_info.php?products_id=13
ja kaufen und die beiden Spannungsregler durch 317 + 337 und 2 Widerständen und Poti ersetzten. Der Rest muß nicht angepaßt werden.

Gruß
Thomas


Angehängte Dateien Thumbnail(s)
               
Zitieren

#15
Gaga schrieb:Hallo zusammen,

vielen Dank für eure Antworten.

Funk spezifiziert das Ausgangsrauschen mit '...weniger als 12 µV (10 Hz..20 kHz eff.) ! Typ. < 10µV.'

Das Datenblatt des LM317 sagt '...
Noise (µVrms) 38 und PSRR at 100 KHz (dB) 38'

Da ich mich mit der PSRR und dem Eigenrauschen von Netzteilen auskenne, diese aber bei Phono-Vorverstärkern vermmutlich kritisch sind: Wie sind diese Werte einzuordnen? Welche Werte wären 'ausreichend'?

Grüße,
Christoph

Christoph
deine beiden letzten Fragen kann ich dir nicht beantworten.

Dies hängt davon ab wie gut die Spannungunterdrückung in der Phono ist, neudeutsch Supply-voltage rejection ratio.

Das kann man mit Simualtion für die Supra machen. Die Störungen kommen über die Widerstände direkt auf die Transistoren,
Bei den neueren OPs so ab den 80ern sind zu Unterdrückung dieser Einflüsse Stromquellen/senken verbaut.
Der bekannte NE5532 hat eine Supply-voltage rejection ratio von typisch 100dB.
Das würde ich als unkritisch ansehen

Auch µVolts im 2stelligen Bereich kann ich nicht messen, da müßte ich im Freundes/Bekanntenkreis nachfragen.
Vielleicht braucht es sogar dafür eine EMV-Kammer.

Gruß
Thomas
Zitieren

#16
veloplex schrieb:Moin,

wenn ich den Schaltplan zur Tubeland Phono richtig verstehe, liegt hinter dem Regler noch ein Kapazitätsmultiplizierer
In Kombination mit 317 und ggf. lokaler Pufferung kann so ein Netzteil nach meiner Erfahrung schon ganz gut funktionieren.

Viele Grüße

veloplex schrieb:Okay,
im Elektor Artikel stehts, es ist ein GyratorSmile

Gyrator oder Kap-multiplier alles das gleiche,
Elektor hat es bei der SUPRA 2 wie folgt gemacht:

https://www.elektormagazine.de/news/cool...verstarker

Das finde ich schon sehr gut, man sieht auch den Fortschritt im Netzteil zur SUPRA 1.
(Mich stören aber die 10nF über D1-D4, dazu habe ich aber schon einmal geschrieben)

Gruß
Thomas
Zitieren

#17
https://www.mikrocontroller.net/topic/121477
Hinweis zu den "Entstörkondensatoren".
Gruß
Arnim

Ein rein verstandesmäßiges Weltbild ganz ohne Mystik ist ein Unding. Erwin Schrödinger.
Zitieren

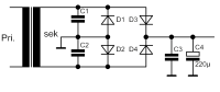
#18
Arnim,
sorry war mißverständlich.
Mit den 4 Kondensatoren über den Brückengleichrichter macht man nur das HF-Tor über Trafo / Netz so richtig auf, auch wenn die Störungen im O-Durchgang geringer sind

Ich mache das so:
[ATTACH=CONFIG]75316[/ATTACH]
HF-Dreck wird über C1 und C2 kurgeschlossen.
Das mit der Sperrerholzeit von D3/4 macht der C3 (mit C1/C2)

Gruß
Thomas

PS:
Und statt 1N400X bitte besser UF400X nehmen. Der hat die gleiche Bauform ist aber deutlich schneller.


Angehängte Dateien Thumbnail(s)
   
Zitieren

#19
Hallo Thomas,

vielen Dank!

Zitat:Christoph
deine beiden letzten Fragen kann ich dir nicht beantworten.

Dies hängt davon ab wie gut die Spannungunterdrückung in der Phono ist, neudeutsch Supply-voltage rejection ratio.

Das kann man mit Simualtion für die Supra machen. Die Störungen kommen über die Widerstände direkt auf die Transistoren,
Bei den neueren OPs so ab den 80ern sind zu Unterdrückung dieser Einflüsse Stromquellen/senken verbaut.
Der bekannte NE5532 hat eine Supply-voltage rejection ratio von typisch 100dB.
Das würde ich als unkritisch ansehen

Der Tubeland RIAA macht das (die PSRR) dann über die symmetrische Auslegung des Differenzverstärkers? Bin halt eher ein Elektronik-Dummy, war/bin aber neugierig, welche Eigenschaften hinsichtlich Rauschen und Ripple ein Netzteil für einen RIAA-Vorverstärker haben sollte.

Soweit ich das verstehe, passen beide oben vorgeschlagenen Lösungen.

Grüße,
Christoph
Zitieren

#20
Gaga schrieb:Der Tubeland RIAA macht das (die PSRR) dann über die symmetrische Auslegung des Differenzverstärkers?
Möglich, dazu müßte man das mal simulieren.
Ich habe mich nie mit dem Design von diskreten OPs beschäftigt, sondern habe ins Regal gegriffen.

Beispiele aus meinen Fundus:
[ATTACH=CONFIG]75356[/ATTACH]

Elektor selber hat sich aber weiter mit diskreten OP-Amp-Design ähnlich wie dem SUPRA beschäftigt wie z.B.
Diskreter Klasse-A-Vorverstärker Heft 7/8 von 1993 und

Akku-Preamp Heft 1/97

(Elektor habe ich von Anfang bis Ende 2019 in digital, aber ich zeige keine Schaltungen in einem öffentlichen Forum)

Zurück:
Diese beiden Vorverstärker haben (zum Teil) keine Emitter/Kollektor-Widerstände sondern da sind Stromquellen/Senken verbaut.
Dies linearisiert und auch Störungen aus der Versorgung werden kleiner.
Diese Lösung scheint wohl etwas zu bringen, sonst hätte man es ja auch lassen können.

Also ein Jein zu deiner Frage.

Gaga schrieb:Soweit ich das verstehe, passen beide oben vorgeschlagenen Lösungen.

Auch hier ein Jein.

Das Funke Netzteil ist solide Profi-Qualität und sicher jenseits von gut und böse.

Das audiophonic-Netzteil wird da nicht mithalten können.

Ausreichend können aber Beide sein. Probier es doch selber aus.

Gruß
Thomas


Angehängte Dateien Thumbnail(s)
   
Zitieren



Möglicherweise verwandte Themen…
Thema Verfasser Antworten Ansichten Letzter Beitrag
  Günstiger, super rauscharmer, MM Phono Pre mit hoher RIAA Genauigkeit 2pi 285 290.915 11.12.2024, 21:05
Letzter Beitrag: Sathim
  Emerald Phono Stage - MM/MC von RJM tiefton 82 24.784 04.11.2024, 09:35
Letzter Beitrag: Kleinhorn
  Hat jemand Erfahrung mit diesem phono pre bg20 11 10.621 18.04.2023, 18:34
Letzter Beitrag: bg20
  Phono Pre "pupst" zeppi 21 17.015 26.10.2022, 20:34
Letzter Beitrag: Kleinhorn
  Welchen Phono Preamp? Destroyer4000 77 50.873 25.02.2022, 17:01
Letzter Beitrag: Koaxfan
  Thel Phono Pre "Sound of Silence" - Erfahrungsbericht abiabi 17 15.539 31.07.2020, 14:06
Letzter Beitrag: Jesse
  Eingangskapazität Phono Preamp Kleinhorn 30 18.820 23.07.2020, 14:17
Letzter Beitrag: ArLo62
  Phono Pre - höhere Ausgangsspannung boarder 7 17.558 22.05.2019, 16:41
Letzter Beitrag: boarder
  Netzteil für Boozhound Labs Phono MM Vorstufe, Entscheidungshilfe boarder 12 15.212 31.03.2019, 16:42
Letzter Beitrag: boarder
  tubeland transistor phonopre schickt OPA-vsps in Vorruhestand dy1026u 4 9.913 21.03.2018, 23:34
Letzter Beitrag: dy1026u

Gehe zu:


Benutzer, die gerade dieses Thema anschauen:
1 Gast/Gäste

Deutsche Übersetzung: MyBB.de, Powered by MyBB, © 2002-2026 Melroy van den Berg.