Themabewertung:
  • 0 Bewertung(en) - 0 im Durchschnitt
  • 1
  • 2
  • 3
  • 4
  • 5
Verständnis Frage zur TMT BR Simulation / Abstimmung bei späterem Aktiv betrieb.
#1
Guten Morgen Smile

Ich hab noch einen (zwei) Beyma 12G40 hier liegen und bin gerade dabei das BR Gehäuse mit BassCad zu Simulieren und hab ein paar Verständnis Fragen zur Simulation und der BR Abstimmung bei späterem Aktiv betrieb.

https://www.beyma.com/speakers/Fichas_Te...-12G40.pdf




Hier mal ein paar Simulationen zum (vorhandenen) Chassi was ich gerne verbauen möchte.

[ATTACH=CONFIG]68142[/ATTACH] [ATTACH=CONFIG]68143[/ATTACH] [ATTACH=CONFIG]68144[/ATTACH] [ATTACH=CONFIG]68145[/ATTACH] [ATTACH=CONFIG]68146[/ATTACH]


Ein Volumen von 30 bis 40 ltr. scheint ideal zu sein und so hatte ich ihn auch schon mal verbaut. Da hatte er untenrum aber Unterstützung von einem Subwoofer. Ich möchte ihn diesmal aber gerne für einen Zwei Wege Lautsprecher ohne Subwoofer verwenden und frag mich ob die Abstimmung in 70 bis 80 ltr. so machbar / Sinnvoll / Ratsam ist? Macht es Sinn Aktiv einen Asym Schelf zu setzen und den Abfall im großen Gehäuse wieder gerade zu ziehen bzw um die drei vier dB anzuheben?


Angehängte Dateien Thumbnail(s)
                   
Zitieren

#2
Moin,
ich würde bzw. nehme oder habe genommen in ähnlichen Fällen ein 80 l Gehäuse und stimme vielleicht so gar noch tiefer ab, denn die Wandladung ist ja auch noch zu berücksichtigen. Wenn du auch das Horn mit einbauen oder nur darauf stellen willst kommst du ja schon allein durch die notwendige Ohrhöhe auf so große Gehäuse.... siehe Epherdra.
Ein ideales Gehäuse wäre ein Altec 614 Nachbau.... aber das ist zu niedrig und die Form ist gewöhnungbedürftig..... im Wort steht es ja "Wohnung"Wink.

Ich stehe mit deiner Hornwahl auf KriegsfußBig Grin,
ich mag diese Exponentialhörner nicht so sehr. Sie bündeln mir zu stark. Ich würde eher so etwas nehmen wie Visaton HT21, JBL/Dayton H6512,
RCA H100 oder P-Audio PH230 ..... aber das ist ja Geschmackssache.

Jrooß Kalle
Zitieren

#3
Moin Oggy,

aus den TSPs ergibt sich auch eine interessante Variante mit Hochpassfilterung:

- 30 Liter Volumen
- BR abgestimmt auf 44Hz
- Hochpass 2. Ordnung mit f=44Hz und Q=2 davor

Damit gehen dann 44Hz / -3dB ohne den Abfall vorher und aus einem Mini-Volumen. Viel tiefer geht die 80 Liter-Kiste auch nicht ....
Gruß Klaus

Meinen tut der, der zum Wissen zu faul und zum Glauben zu schwach ist (Lisa Eckart)
Zitieren

#4
mechanic schrieb:Viel tiefer geht die 80 Liter-Kiste auch nicht ....
Aber dann muss die kleine Kiste auf einen Ständer, denn der Midbass darf ja nicht zu weit vom Horn entfernt sein........ob das nun sinniger ist als ein 80 l StänderBig Grin.
Zitieren

#5
Kalle schrieb:Moin,
ich würde bzw. nehme oder habe genommen in ähnlichen Fällen ein 80 l Gehäuse und stimme vielleicht so gar noch tiefer ab, denn die Wandladung ist ja auch noch zu berücksichtigen. Wenn du auch das Horn mit einbauen oder nur darauf stellen willst kommst du ja schon allein durch die notwendige Ohrhöhe auf so große Gehäuse.... siehe Epherdra.
Ein ideales Gehäuse wäre ein Altec 614 Nachbau.... aber das ist zu niedrig und die Form ist gewöhnungbedürftig..... im Wort steht es ja "Wohnung"Wink.

Ich stehe mit deiner Hornwahl auf KriegsfußBig Grin,
ich mag diese Exponentialhörner nicht so sehr. Sie bündeln mir zu stark. Ich würde eher so etwas nehmen wie Visaton HT21, JBL/Dayton H6512,
RCA H100 oder P-Audio PH230 ..... aber das ist ja Geschmackssache.

Jrooß Kalle





Dankeschön Kalle,
das Horn (Monacor MRH-200) ist ja noch nicht gekauft. Der Beyma und der BMS 4550 sind halt noch vorhanden und ich möchte (außer Holz und nem Horn) nicht weiter Geld investieren ;-)


Noch tiefer Abstimmen? Mit mehr Volumen oder die Port Abstimmung mit mehr länge tiefer legen? Oder beides?


Gruß Marco
Zitieren

#6
Kalle schrieb:Aber dann muss die kleine Kiste auf einen Ständer, denn der Midbass darf ja nicht zu weit vom Horn entfernt sein........ob das nun sinniger ist als ein 80 l StänderBig Grin.

Es geht halt, Kalle. Ob er es will, ist die andere Sache. Wenn da z.B. ein Sideboard als Basis rumsteht, gibt das eben ne Regalbox mit 12-Zöller Big Grin !
Gruß Klaus

Meinen tut der, der zum Wissen zu faul und zum Glauben zu schwach ist (Lisa Eckart)
Zitieren

#7
mechanic schrieb:Moin Oggy,

aus den TSPs ergibt sich auch eine interessante Variante mit Hochpassfilterung:

- 30 Liter Volumen
- BR abgestimmt auf 44Hz
- Hochpass 2. Ordnung mit f=44Hz und Q=2 davor

Damit gehen dann 44Hz / -3dB ohne den Abfall vorher und aus einem Mini-Volumen. Viel tiefer geht die 80 Liter-Kiste auch nicht ....





Moin


Das Versteh ich jetzt nicht....

Meinst du 30 ltr. Volumen und den BR Port so lang gemacht das ich auf die 44Hz komme und Aktiv einen 12dB Hochpass zur Hubentlastung?


Gruß Marco
Zitieren

#8
mechanic schrieb:Es geht halt, Kalle. Ob er es will, ist die andere Sache. Wenn da z.B. ein Sideboard als Basis rumsteht, gibt das eben ne Regalbox mit 12-Zöller Big Grin !




Naja ich find ne kleine Kiste schon okay. Nen schönen Fuß drunter und gut ist. Und ne 12" Regalbox klingt doch spannend Rolleyes



Gruß Marco
Zitieren

#9
Hallo Marco,
ich spiele gerade mit Passivmembranen, aber auch mit Rohren kann man ja auch gut abstimmen....... wichtig ist wie immer die Endabstimmung im Raum.
Ich höre gerade mit dem 4550 an einem JBL 2344, eine optimale Kombination....... ich habe etliche Treiber daran probiert.... der BMSSmile hat gewonnen.
Vielleicht läßt du dir das Dekolleteé von jemanden ausdrücken, wenn dir die Optik gefällt, klanglich auch heute noch :thumbup:.
Das war übrigens die ursprüngliche Assoziation der Entwickler, sie dachten an Dolly P..
Warum Deutsche daraus nun A......backen machenConfused, egal für A....Big Grin

Hier zum Beispiel:
https://www.diy-hifi-forum.eu/forum/show...bill-s-425
Zitieren

#10
mechanic schrieb:Moin Oggy,

aus den TSPs ergibt sich auch eine interessante Variante mit Hochpassfilterung:

- 30 Liter Volumen
- BR abgestimmt auf 44Hz
- Hochpass 2. Ordnung mit f=44Hz und Q=2 davor

Damit gehen dann 44Hz / -3dB ohne den Abfall vorher und aus einem Mini-Volumen. Viel tiefer geht die 80 Liter-Kiste auch nicht ....




Meintest du das so?

[ATTACH=CONFIG]68148[/ATTACH]


Angehängte Dateien Thumbnail(s)
   
Zitieren

#11
Kalle schrieb:Hallo Marco,
ich spiele gerade mit Passivmembranen, aber auch mit Rohren kann man ja auch gut abstimmen....... wichtig ist wie immer die Endabstimmung im Raum.
Ich höre gerade mit dem 4550 an einem JBL 2344, eine optimale Kombination....... ich habe etliche Treiber daran probiert.... der BMSSmile hat gewonnen.
Vielleicht läßt du dir das Dekolleteé von jemanden ausdrücken, wenn dir die Optik gefällt, klanglich auch heute noch :thumbup:.
Das war übrigens die ursprüngliche Assoziation der Entwickler, sie dachten an Dolly P..
Warum Deutsche daraus nun A......backen machenConfused, egal für A....Big Grin

Hier zum Beispiel:
https://www.diy-hifi-forum.eu/forum/show...bill-s-425




Sind halt selbst gebraucht irre Teuer und sprengt definitiv mein Budget.
Zitieren

#12
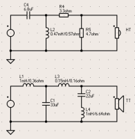
oggy schrieb:Meintest du das so?

[ATTACH=CONFIG]68148[/ATTACH]

Hast du sowas gemacht:

[ATTACH=CONFIG]68149[/ATTACH]

dann sollte das passen. Um Wandunterstützung rauszunehmen, kann man dann die Güte runternehmen, etwa so:

[ATTACH=CONFIG]68150[/ATTACH]


Angehängte Dateien Thumbnail(s)
       
Gruß Klaus

Meinen tut der, der zum Wissen zu faul und zum Glauben zu schwach ist (Lisa Eckart)
Zitieren

#13
mechanic schrieb:Hast du sowas gemacht:

[ATTACH=CONFIG]68149[/ATTACH]

dann sollte das passen. Um Wandunterstützung rauszunehmen, kann man dann die Güte runternehmen, etwa so:

[ATTACH=CONFIG]68150[/ATTACH]





Ah okay

Dankeschön :ok::ok::ok:
Grüße Marco Smile
Zitieren

#14
Die 2344 kann man sich auch drucken lassen - kostet aber natürlich auch und macht ein bisschen Arbeit. Siehe den Thread hier im Forum.
Grüße
Simon
Zitieren

#15
mechanic schrieb:aus den TSPs ergibt sich auch eine interessante Variante mit Hochpassfilterung:

- 30 Liter Volumen
- BR abgestimmt auf 44Hz
- Hochpass 2. Ordnung mit f=44Hz und Q=2 davor

Damit gehen dann 44Hz / -3dB ohne den Abfall vorher und aus einem Mini-Volumen. Viel tiefer geht die 80 Liter-Kiste auch nicht ....
Das kann ich mittels Simulation in WinISD gar nicht nachvollziehen: da komme ich mit den TSP aus den Herstellerdaten und diesen Einstellungen auf ein f3 von so um 85 Hz. :dont_know:

Viele Grüße,
Michael
Zitieren

#16
Mal Aj angeschmissen und mit den Werten aus der HH 4/2006 simuliert, Kanal 150cm2 und 23 cm Länger, einmal mit 45 Liter und einmal mit 65.
[ATTACH=CONFIG]68151[/ATTACH]

Jedoch muss man sagen das der 12g40 aufgrund seiner Membranreso (Aussage HH) eher als Tieftöner bis 500 hz einsetzbar und vom Ausschwingen im Wasserfall her würde ich das auch so unterschreiben.
Aber kann ja jeder mit machen was er will Big Grin.

Gruß!


Angehängte Dateien Thumbnail(s)
   
Zitieren

#17
Swany schrieb:Mal Aj angeschmissen und mit den Werten aus der HH 4/2006 simuliert, Kanal 150cm2 und 23 cm Länger, einmal mit 45 Liter und einmal mit 65.
[ATTACH=CONFIG]68151[/ATTACH]

Jedoch muss man sagen das der 12g40 aufgrund seiner Membranreso (Aussage HH) eher als Tieftöner bis 500 hz einsetzbar und vom Ausschwingen im Wasserfall her würde ich das auch so unterschreiben.
Aber kann ja jeder mit machen was er will Big Grin.

Gruß!



Der Auszug aus der Klang und Ton gefällt mir da aber viiiiel besser. 😉

„... Im Messlabor gehört der 12G40 ohne Wenn und Aber zu den besten 12ern überhaupt. Ein gutartiges Schalldruckverhalten wird durch die makellose Impedanzkurve untermauert. Bis 1 kHz beweist auch die akustische Phase durch einen stetigen Verlauf das annähernd ideale Verhalten des 12G40. ...“


Ich hab ihn halt da und um ihn ungenutzt im Schrank liegen zu lassen ist er einfach zu schade.
Grüße Marco Smile
Zitieren

#18
Swany schrieb:und mit den Werten aus der HH 4/2006 simuliert,
Kann ich die mal haben? Dann füttere ich WinISD mal damit.

Viele Grüße,
Michael
Zitieren

#19
es werden zwei Themen hier in der Diskussion vermischt, einmal die Simu im Gehäuse wo ich dem AJhorn einiges zutraue und der Raumeinfluss im verbauten Zustand kommt dann noch on Top oben auf. Sprich eine sehr schlanke Abstimmung ist dann im Lowboard auf einmal eine zu basslastige Brumtonabstimmung, ... deswegen ist das was Klaus geschrieben hat nicht zu vernachlässigen, ist sogar der Hauptbeitragsleister in der Abstimmbetrachtung.

Ich argumentiere gerne in Beispielen, die Abtimmung der Stella TIW200B100 im viel zu kleinen CB des TIW200 ist in Summe am Hörplatz absolut ausreichend, da die Böxchen wandnah stehen und zusätzlich die Bässe nach innen zeigen, was auch eine Bassverstärkung ergibt. Aber nur so in AJHORN simuliert käme da nichts an Tiefbass aus dem Boxen und in Realität ist voller Pegel bis 35 Hz da:

[ATTACH=CONFIG]68152[/ATTACH]

ps frei im Raum aufgestellt fehlen den Boxen aber wieder Basspower.

Gruß Timo


Angehängte Dateien Thumbnail(s)
   
Zitieren

#20
Azrael schrieb:Das kann ich mittels Simulation in WinISD gar nicht nachvollziehen: da komme ich mit den TSP aus den Herstellerdaten und diesen Einstellungen auf ein f3 von so um 85 Hz. :dont_know:

Viele Grüße,
Michael

Hallo Michael,
ich habe das gerade mit Basta! und den Hersteller-TSPs mal nachvollzogen, da passt das ganz gut. Leider kann mein Screen Grabber mit dem Basta!-Fenster irgendwie nicht. Der f3-Punkt bei 85Hz kann bei der tiefen Abstimmung ohne Hochpass durchaus hinkommen.

Ohne Hochpass 30 Liter, abgestimmt auf 44Hz und damit etwa -6dB bei der Abstimmfrequenz:

[ATTACH=CONFIG]68153[/ATTACH]

Mit Hochpass f0=44Hz und Q=2 davor, also 6dB Anhebung bei 44 Hz:

[ATTACH=CONFIG]68154[/ATTACH]

Das ganze noch etwas optimiert mit 38 Litern und Hochpass auf 40Hz:

[ATTACH=CONFIG]68155[/ATTACH]

Und dann kommt der Raum - und die Güte vom Hochpass muss angepasst werden. Ich lande da oft bei 3dB-Anhebung statt 6.


Angehängte Dateien Thumbnail(s)
           
Gruß Klaus

Meinen tut der, der zum Wissen zu faul und zum Glauben zu schwach ist (Lisa Eckart)
Zitieren



Möglicherweise verwandte Themen…
Thema Verfasser Antworten Ansichten Letzter Beitrag
  Frage minimaler Hörabstand linux1972 21 3.207 08.10.2025, 08:36
Letzter Beitrag: Darakon
  Kurze Frage - Schnelle Antwort ax3 968 273.277 05.09.2025, 20:28
Letzter Beitrag: wus
  Frage zur Positionierung Chassis auf kreisförmiger Schallwand linux1972 12 4.341 22.07.2025, 09:54
Letzter Beitrag: linux1972
  Frage zu Kunstoff Horn von Sica und eventueller Modifikation Olaf_HH 9 2.172 16.05.2025, 19:48
Letzter Beitrag: Olaf_HH
  Frage zu einer Frequenzweiche ecc83 11 3.309 25.04.2025, 15:11
Letzter Beitrag: ecc83
  Frage zu Lautsprecherkabel bei PA Anwendungen, Thema Übersprechen Olaf_HH 7 2.018 22.04.2025, 21:27
Letzter Beitrag: Olaf_HH
  Reckhorn SW-450, was ist das für eine Abstimmung? capslock 2 1.416 05.12.2024, 10:02
Letzter Beitrag: capslock
  Tieftonabstimmung mit Vorwiderstand und/oder "zu tiefer" Abstimmung fosti 165 74.778 25.10.2023, 12:26
Letzter Beitrag: JFA
  DIY Gesangsanlage mit SPA-8PA - Tipps zur Abstimmung? AR 20 4.023 21.04.2023, 18:29
Letzter Beitrag: AR
  Abstimmung Passivmembran: Impedanzverlauf verstehen... NuSin 26 6.090 11.02.2023, 12:12
Letzter Beitrag: ente

Gehe zu:


Benutzer, die gerade dieses Thema anschauen:
1 Gast/Gäste

Deutsche Übersetzung: MyBB.de, Powered by MyBB, © 2002-2026 Melroy van den Berg.